GM Service Manual Online
For 1990-2009 cars only
Makes
🢒
Buick
🢒
1999
🢒
Century
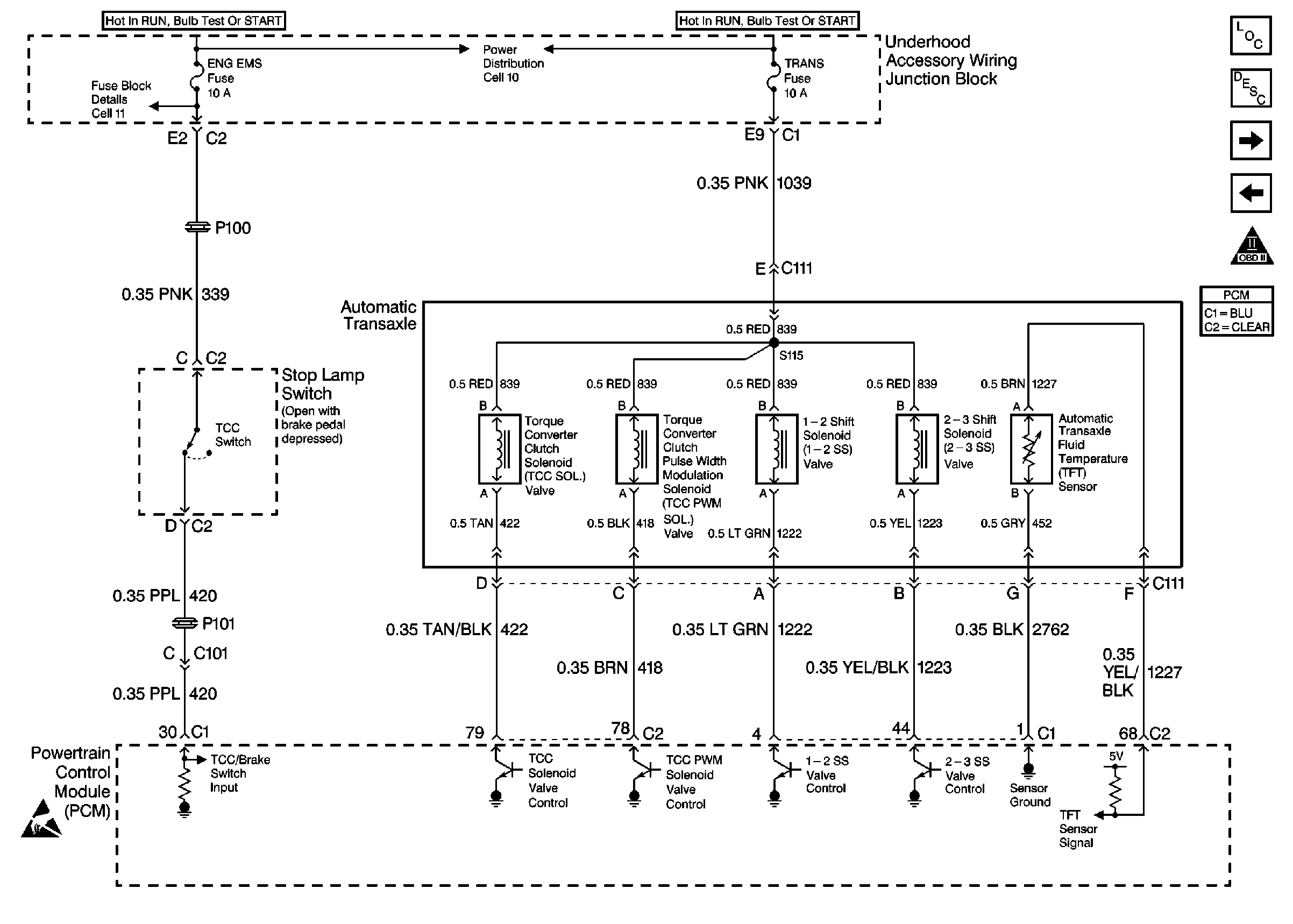
🢒 Cell 20: Automatic Transaxle and TCC Switch
Cell 20: Automatic Transaxle and TCC Switch
Cell 20: Automatic Transaxle and TCC Switch
Cell 20: A/C Compressor Controls
OBDII Symbol Description Notice
Cell 20: Transaxle Range Switch
Cell 11: ENG EMIS Fuse
Cell 10: Underhood Accessory Wiring Junction Block
Handling Electrostatic Discharge Sensitive Parts Notice