GM Service Manual Online
For 1990-2009 cars only
Makes
🢒
Buick
🢒
1999
🢒
Century
🢒 Cell 10: Underhood Accessory Wiring Junction Block
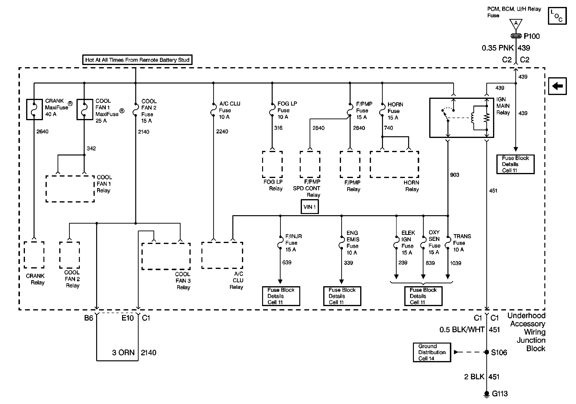
Cell 10: Underhood Accessory Wiring Junction Block
Cell 10: Underhood Accessory Wiring Junction Block
Power and Grounding Components
Cell 10: EBCM/EBTCM
Cell 11: TURN SIGNALS CORN LPS, AIR BAG, CLUSTER, DRL and PCM-BCM U/H RELAY Fuses
Cell 14: G100, G111, G113, and G117
Cell 11: TRANS, ELEK IGN and OXY SEN Fuses
Cell 11: ENG EMIS Fuse
Cell 11: F/INJR Fuse
Cell 10: Ignition Switch