GM Service Manual Online
For 1990-2009 cars only
Makes
🢒
Buick
🢒
2000
🢒
Century
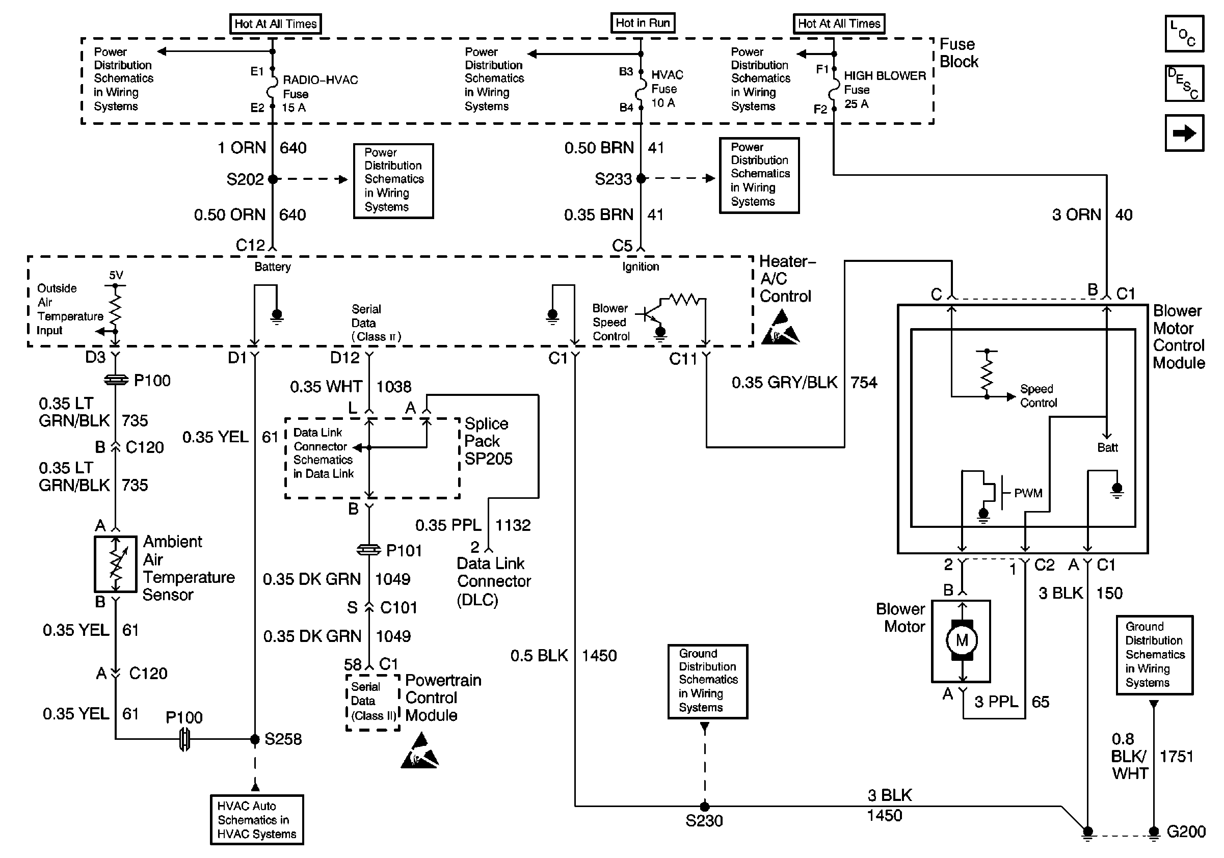
🢒 Inputs and Serial Data
Inputs and Serial Data
Inputs and Serial Data
HVAC Components
HVAC Blower Controls Circuit Description
Outputs
Radio/HVAC/RFA/Cluster/DATA Link, Cigar LTR./AUX Power and CD Changer Fuses
Low Blower, Cruise and HVAC Fuses
Center Front of the Passenger Compartment
Radio/HVAC/RFA/Cluster/DATA Link, Cigar LTR./AUX Power and CD Changer Fuses
Low Blower, Cruise and HVAC Fuses
DLC Schematic
Inputs
Ground G200
Ground G200