GM Service Manual Online
For 1990-2009 cars only
Makes
🢒
Buick
🢒
2000
🢒
Century
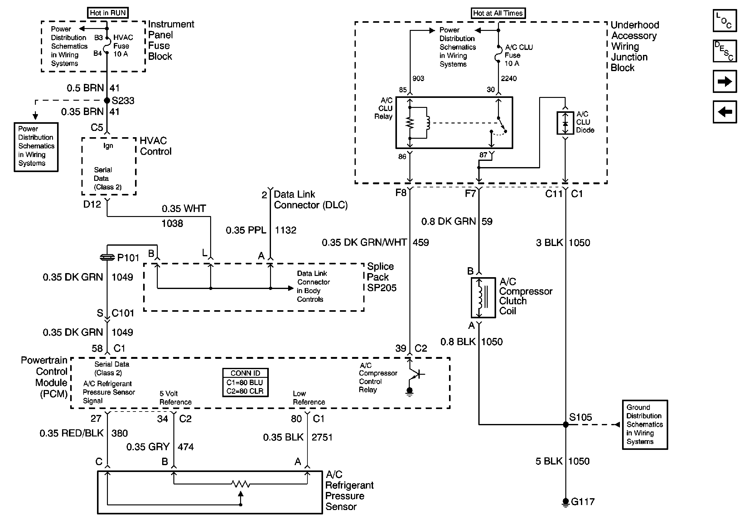
🢒 HVAC Compressor Controls CJ2
HVAC Compressor Controls CJ2
HVAC Components
HVAC Compressor Controls Circuit Description
Air Temperature Sensors
HVAC Blower Controls CJ2
Low Blower, Cruise, and HVAC Fuses
Low Blower, Cruise, and HVAC Fuses
UAWJB
G113 and G117
Serial Data Class 2
G113 and G117