GM Service Manual Online
For 1990-2009 cars only
Makes
🢒
Buick
🢒
2000
🢒
Century
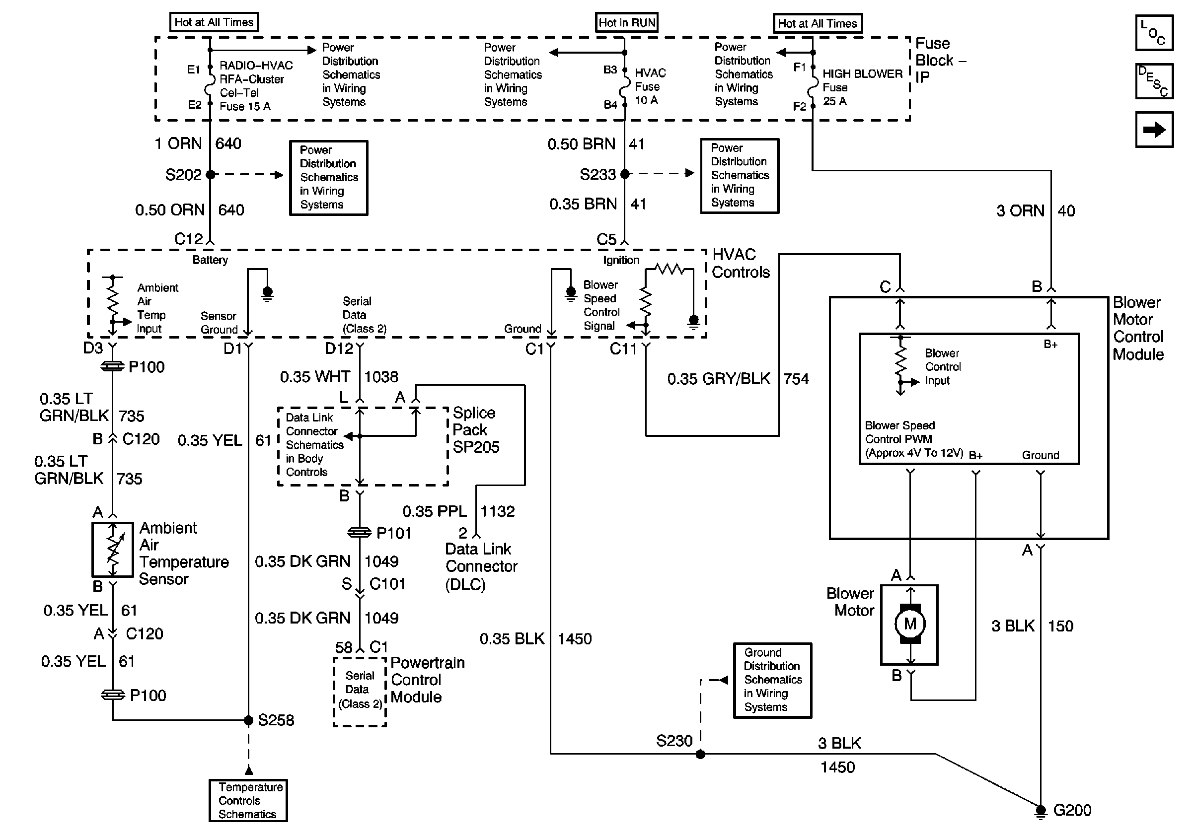
🢒 HVAC Blower Controls CJ2
HVAC Blower Controls CJ2
HVAC Components
HVAC Blower Controls Circuit Description
HVAC Compressor Controls CJ2
Radio, HVAC, RFA, Cluster, Cel Tel, BCM Power, INADV Power Bus, Radio PRM Sound, and Cigar Lighter/Data Link Fuses
Radio, HVAC, RFA, Cluster, Cel Tel, BCM Power, INADV Power Bus, Radio PRM Sound, and Cigar Lighter/Data Link Fuses
Low Blower, Cruise, and HVAC Fuses
High Blower, Hazard, Stoplamps, Door Locks, Power Mirrors, and Heated Seats Fuses
Low Blower, Cruise, and HVAC Fuses
Serial Data Class 2
Diagnostic Trouble Code (DTC) List/Type
Air Temperature Sensors
G200