GM Service Manual Online
For 1990-2009 cars only
Makes
🢒
Buick
🢒
2000
🢒
Century
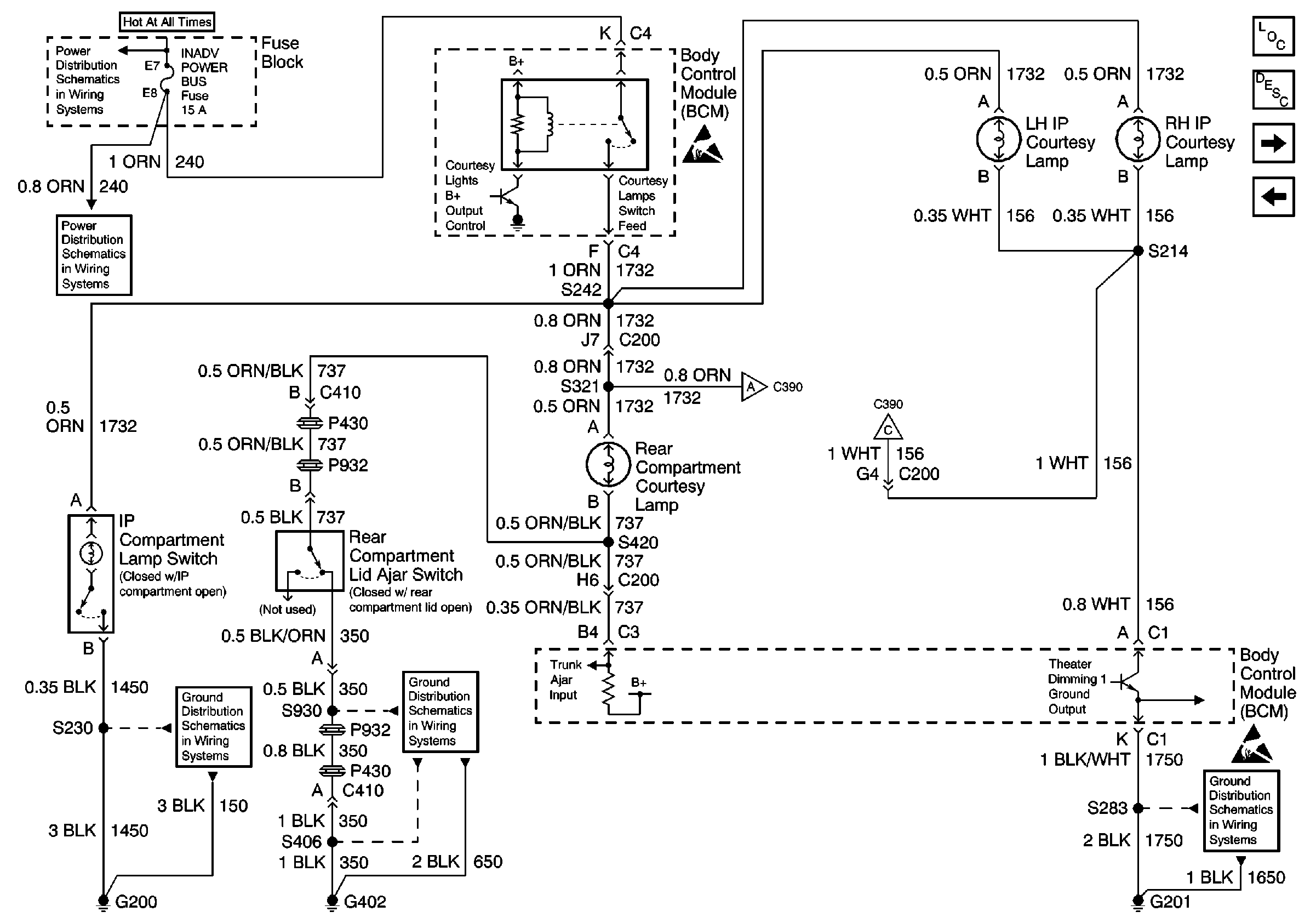
🢒 Courtesy Lamps, BCM, IP Compartment Lamp Switch, Rear Compartment Lid Ajar Switch, and BCM
Courtesy Lamps, BCM, IP Compartment Lamp Switch, Rear Compartment Lid Ajar Switch, and BCM
Courtesy Lamps, BCM, IP Compartment Lamp Switch, Rear Compartment Lid Ajar Switch, and BCM
Battery, UAWJB, Fuse Block, Headlamp Switch, Parklamp and Headlamp Relay
Battery, UAWJB, Fuse Block, Headlamp Switch, Parklamp and Headlamp Relay
G200
G402
Handling ESD Sensitive Parts Notice
Sunshade Mirror Lamp, Rear View Mirror, and Roof Rail Courtesy/Reading LAmp
Sunshade Mirror Lamp, Rear View Mirror, and Roof Rail Courtesy/Reading LAmp
Handling ESD Sensitive Parts Notice
Lighting Systems Components
Interior Lights Circuit Description
Sunshade Mirror Lamp, Rear View Mirror, and Roof Rail Courtesy/Reading LAmp
Headlamp Switch, BCM, and Door Lock Switches