GM Service Manual Online
For 1990-2009 cars only
Makes
🢒
Buick
🢒
2000
🢒
Century
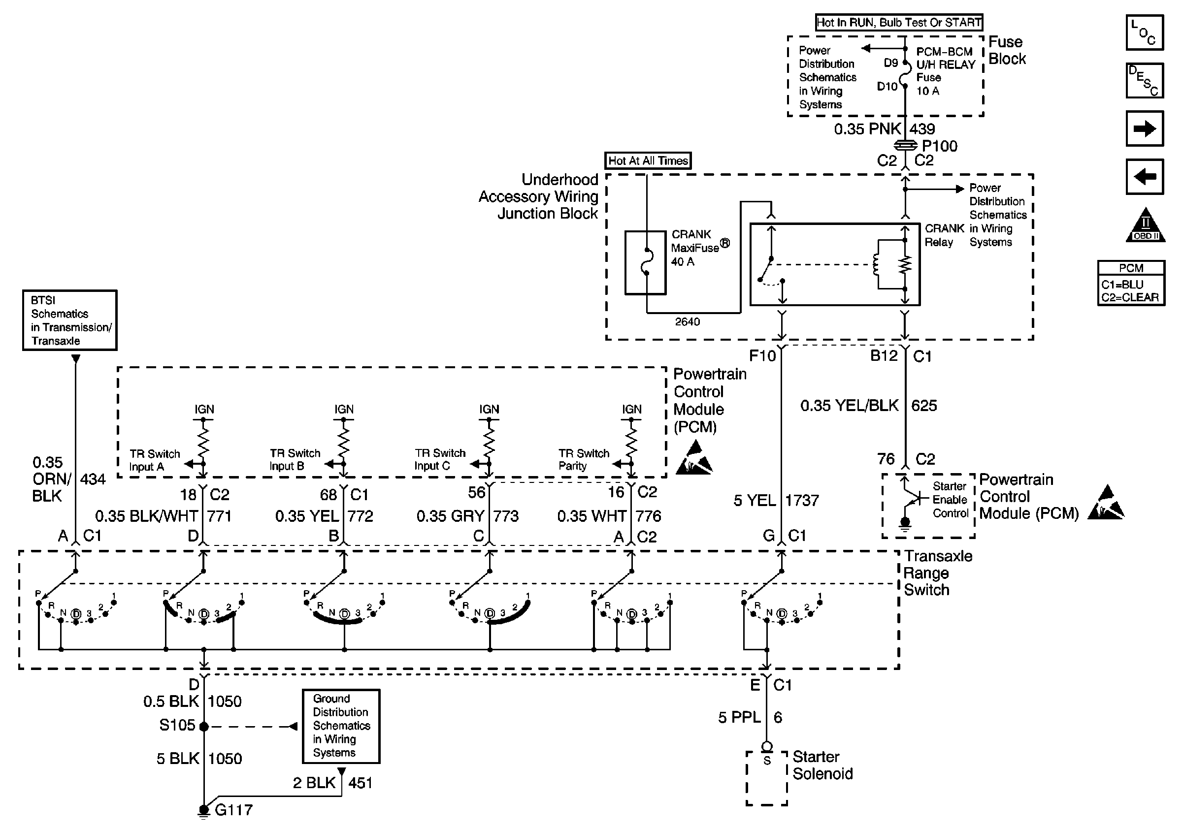
🢒 Transaxle Range Switch Inputs
Transaxle Range Switch Inputs
Transaxle Range Switch Inputs
Park Neutral Switch Schematic
G113 and G117
Handling ESD Sensitive Parts Notice
Handling ESD Sensitive Parts Notice
Fuse Block, UAWJB, PCM, BCM, Cluster, Turn Signal Switch, and SDM Module
UAWJB
Engine Controls Component Views
Powertrain Control Module Description
Automatic Transaxle Inputs
IPC Class 2 Serial Data Input from PCM and Generator Input/Output
OBD II Symbol Description Notice