GM Service Manual Online
For 1990-2009 cars only
Makes
🢒
Buick
🢒
2000
🢒
Century
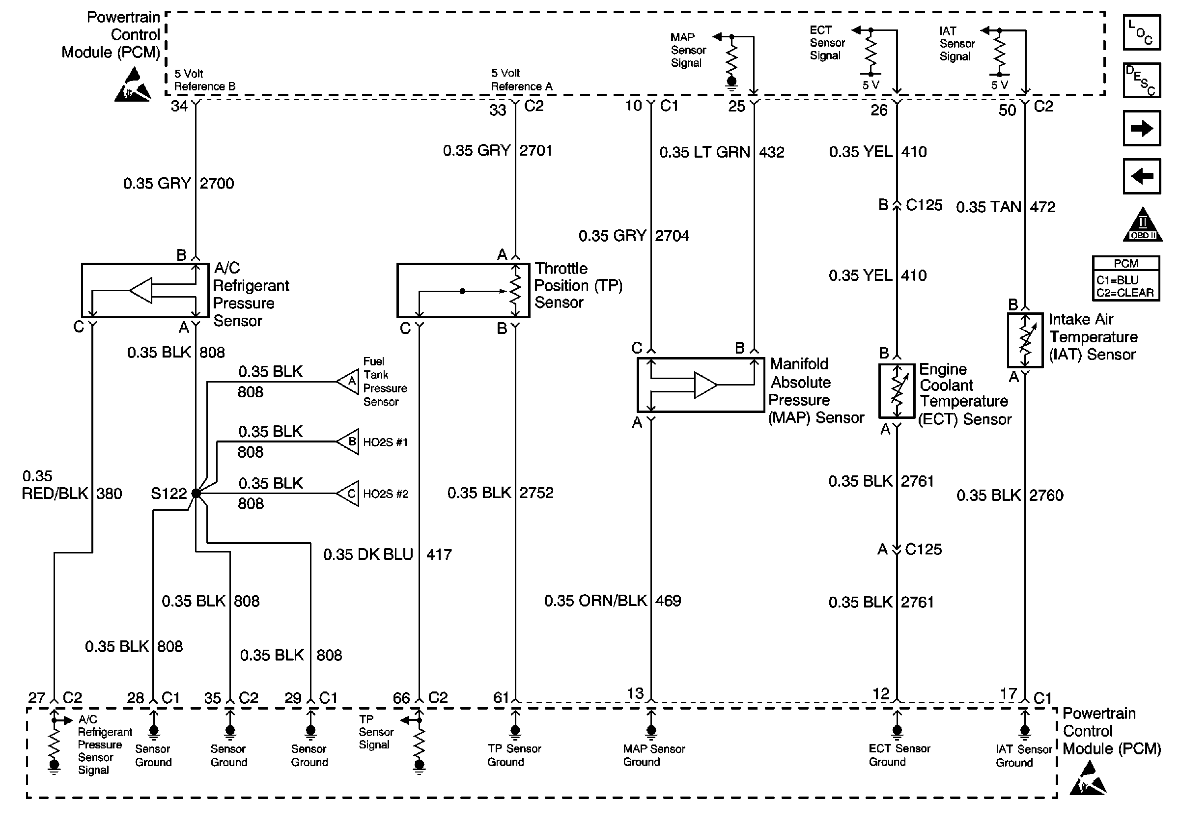
🢒 A/C Pressure Switch, TPS, MAP, ECT and IAT
A/C Pressure Switch, TPS, MAP, ECT and IAT
A/C Pressure Switch, TPS, MAP, ECT and IAT
Handling ESD Sensitive Parts Notice
Handling ESD Sensitive Parts Notice
Engine Controls Component Views
Powertrain Control Module Description
Heated O2 Sensors
Fuel Injectors
OBD II Symbol Description Notice