GM Service Manual Online
For 1990-2009 cars only
Makes
🢒
Buick
🢒
2000
🢒
Century
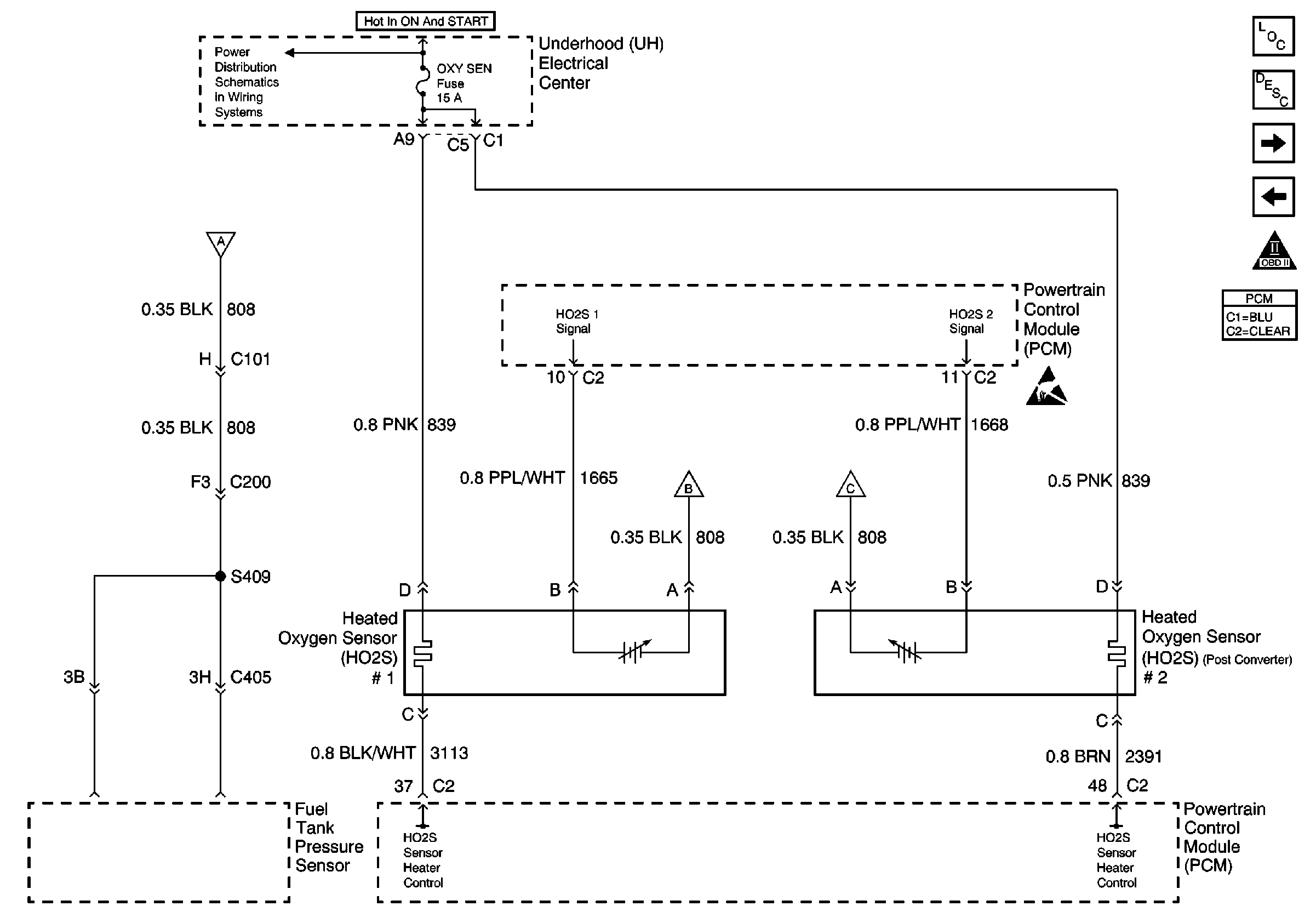
🢒 Heated O2 Sensors
Heated O2 Sensors
Heated O2 Sensors
Trans Solenoid, ABS, and O2 Sensor Fuses
Handling ESD Sensitive Parts Notice
Engine Controls Component Views
Powertrain Control Module Description
MAF, Secondary Air Injection Pump Bypass Solenoid, IAC and Secondary AIR Pump
A/C Pressure Switch, TPS, MAP, ECT and IAT
OBD II Symbol Description Notice