GM Service Manual Online
For 1990-2009 cars only
Makes
🢒
Buick
🢒
2000
🢒
Century
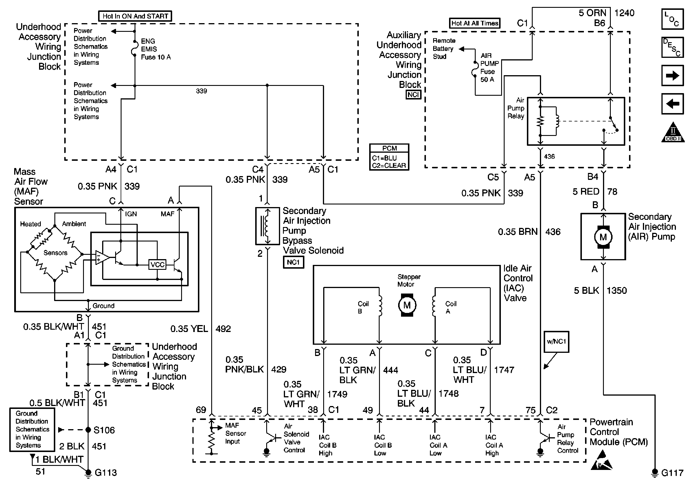
🢒 MAF, Secondary Air Injection Pump Bypass Solenoid, IAC and Secondary AIR Pump
MAF, Secondary Air Injection Pump Bypass Solenoid, IAC and Secondary AIR Pump
MAF, Secondary Air Injection Pump Bypass Solenoid, IAC and Secondary AIR Pump
Engine Emissions Fuses
Ground G117
Ground G113
Handling ESD Sensitive Parts Notice
Engine Controls Component Views
Powertrain Control Module Description
Cruise Control Module, EBCM and VSS
Heated O2 Sensors
OBD II Symbol Description Notice