GM Service Manual Online
For 1990-2009 cars only
Makes
🢒
Buick
🢒
2002
🢒
Century
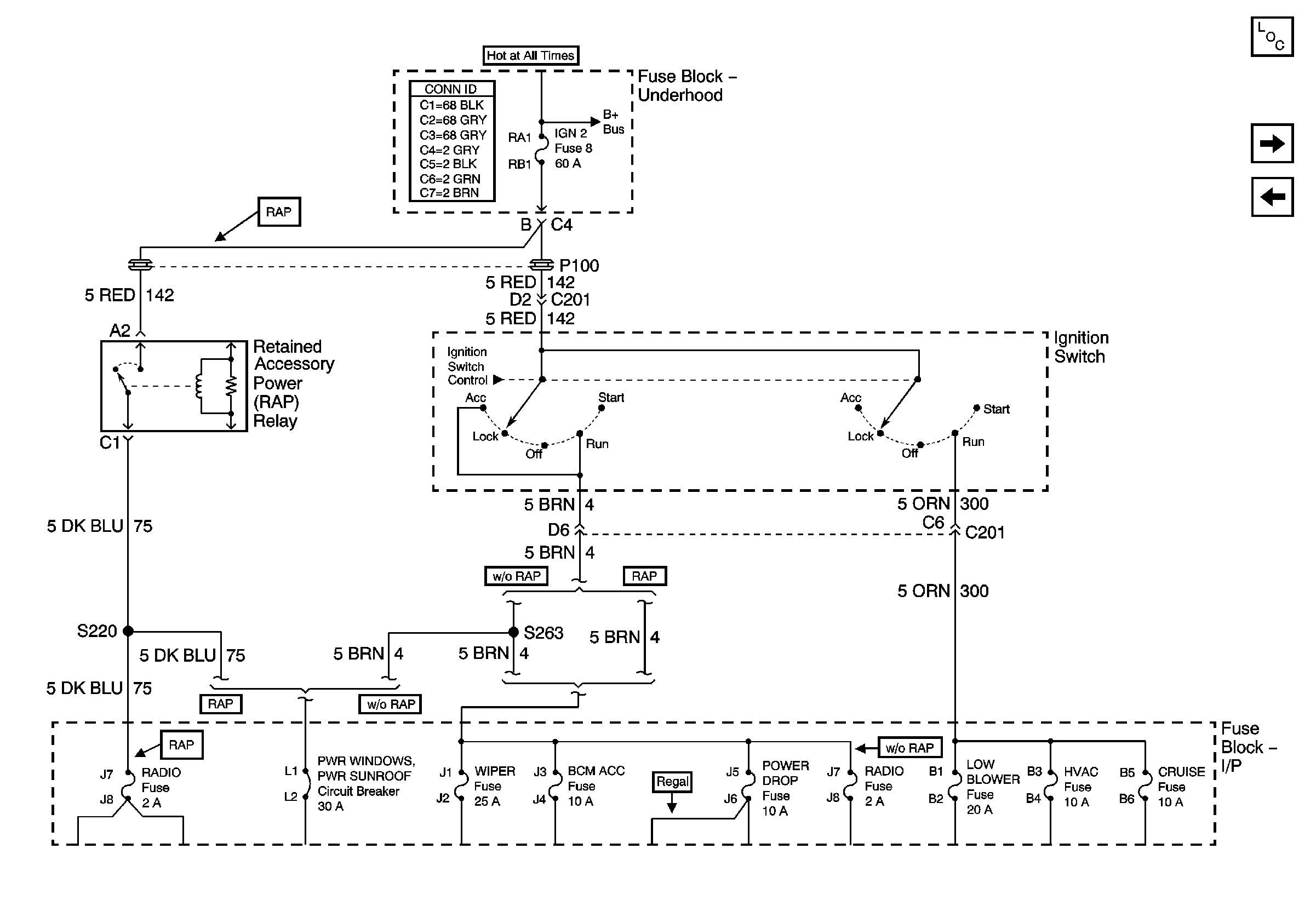
🢒 Power Distribution Schematics (IGN 2)
Power Distribution Schematics (IGN 2)
Fuse Block - Underhood IGN 2 Fuse
Master Electrical Component List
Fuel Injectors
Power Distribution Schematics (IGN 1)
Fuse Block Underhood Power Bussing (Page 1 of 2)