GM Service Manual Online
For 1990-2009 cars only
Makes
🢒
Buick
🢒
2002
🢒
Century
🢒 Fuel Injectors
Fuel Injectors
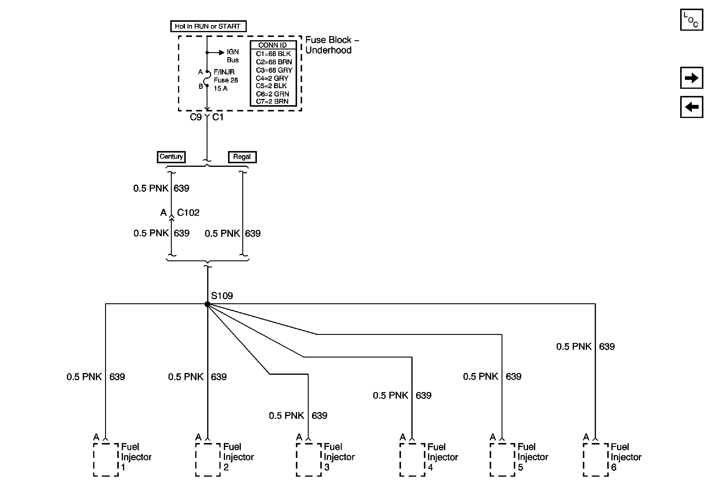
Fuse Block - Underhood F/INJR Fuse
Master Electrical Component List
ATX, ICM, O2
Power Distribution Schematics (IGN 2)
Fuse Block Underhood Power Bussing (Page 1 of 2)