GM Service Manual Online
For 1990-2009 cars only
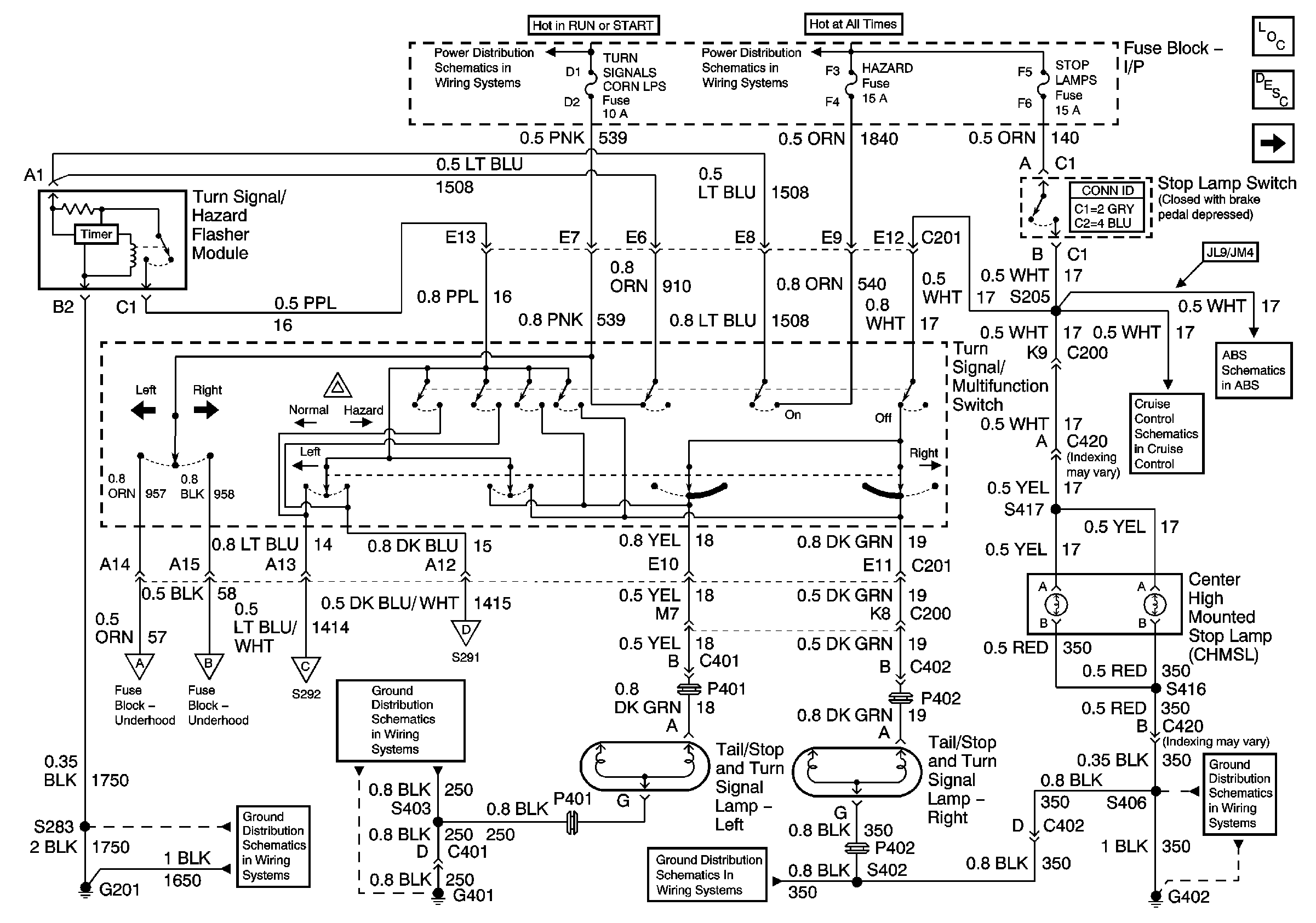
Figure 1:

Stop Lamps and Rear Turn Lamps


Object Number: 871162  Size: FS
Master Electrical Component List
Exterior Lighting Systems Description and Operation
Front Turn Lamps, Cornering Lamps, and DRL
Fuse Block-I/P Turn Signals,Corn Lps,Air Bag,Cluster,PCM,BCM U/H Relay Fuses,Fuse Block-U/H Crank, IGN Main Relays
Fuse Block-Underhood Batt 2 Fuse, Fuse Block-I/P HIGH BLOWER, HAZARD, STOP LAMPS, DOOR LOCKS, and POWER MIRRORS Fuses
Cruise Control Schematics
Stop Lamp and Torque Signals
Front Turn Lamps, Cornering Lamps, and DRL
Front Turn Lamps, Cornering Lamps, and DRL
Front Turn Lamps, Cornering Lamps, and DRL
Front Turn Lamps, Cornering Lamps, and DRL
G201
G401
G402, Page 2 of 2
G402, Page 2 of 2
Figure 2:

Front Turn Lamps, Cornering Lamps, and DRL


Object Number: 875767  Size: FS
Master Electrical Component List
Exterior Lighting Systems Description and Operation
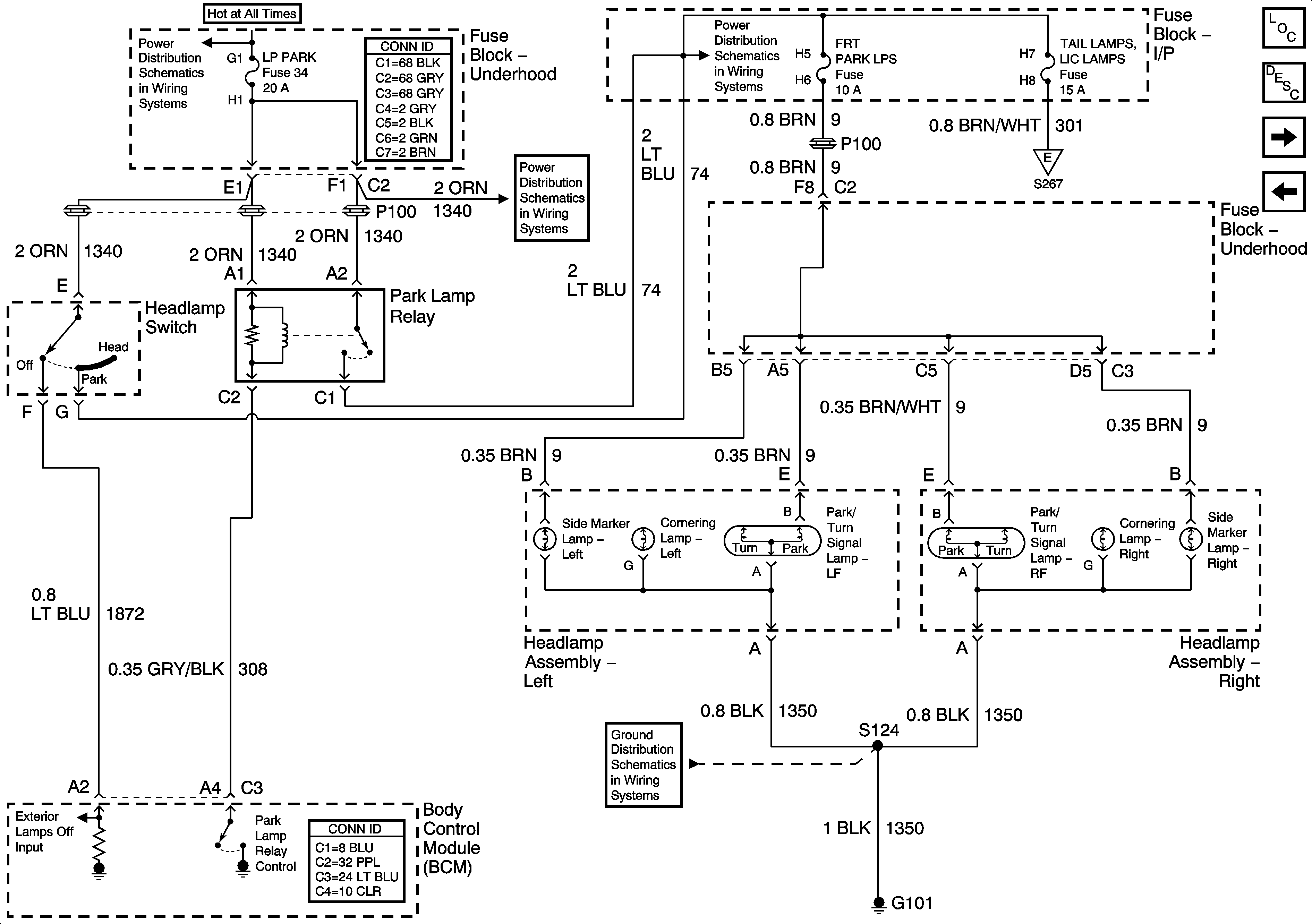
Front Park Lamps
Stop Lamps and Rear Turn Lamps
Stop Lamps and Rear Turn Lamps
Stop Lamps and Rear Turn Lamps
Stop Lamps and Rear Turn Lamps
Stop Lamps and Rear Turn Lamps
Front Park Lamps
Front Park Lamps
G101 and G111
Figure 3:

Front Park Lamps


Object Number: 871164  Size: FS
Master Electrical Component List
Exterior Lighting Systems Description and Operation
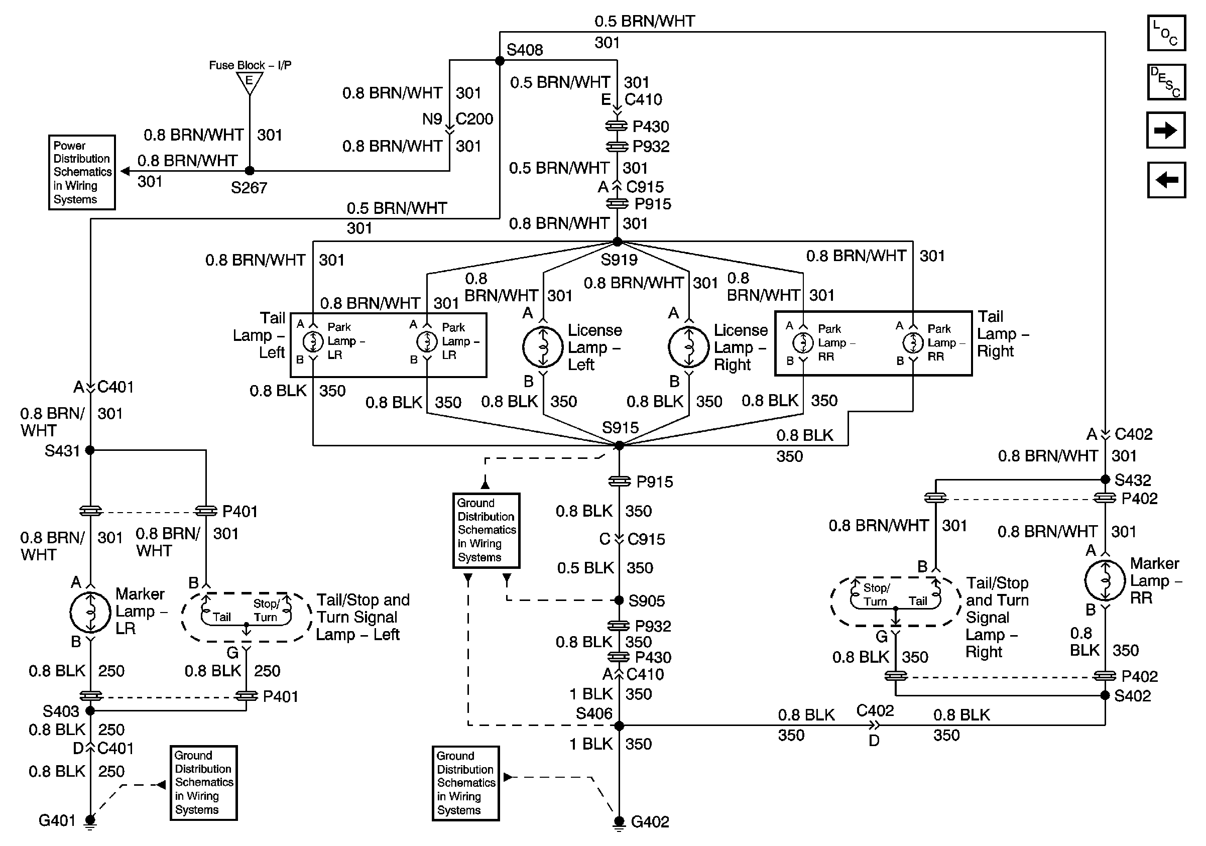
Rear Park Lamps and License Lamps
Front Turn Lamps, Cornering Lamps, and DRL
Fuse Block-Underhood B+ Buss
Fuse Block-Underhood LP PARK Fuse, Fuse Block-I/P FRT PARK LP, FOG LP, Fuse, and PWR WINDOWS, SUNROOF Circuit Breaker
Rear Park Lamps and License Lamps
G101 and G111
Figure 4:

Rear Park Lamps and License Lamps


Object Number: 871165  Size: FS
Master Electrical Component List
Exterior Lighting Systems Description and Operation
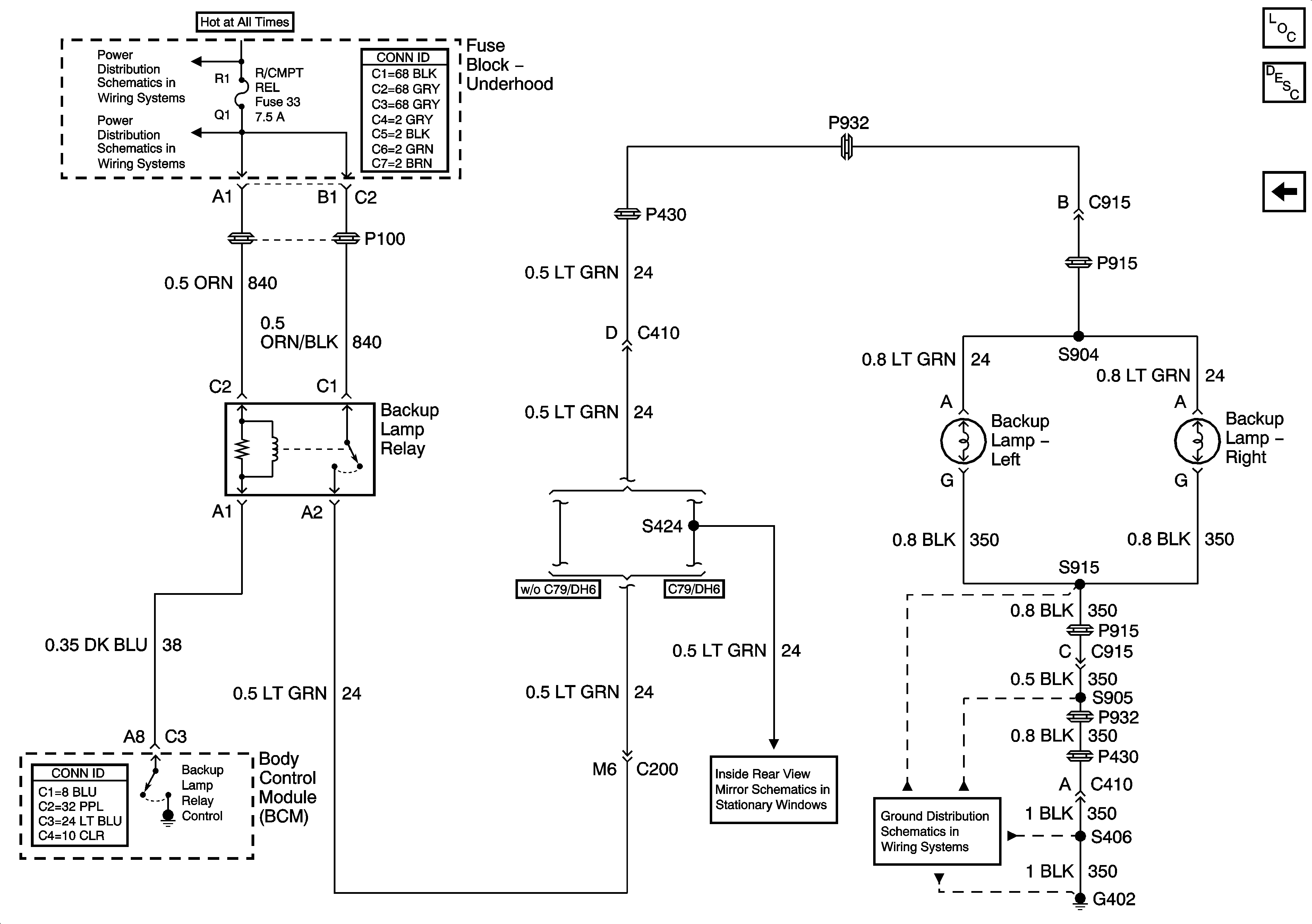
Back Up Lights
Front Park Lamps
Fuse Block-I/P TAIL LAMPS, LIC LAMPS, and PANEL DIMMING Fuses
Front Park Lamps
G402, Page 2 of 2
G401
G402, Page 1 of 2
Figure 5:

Back Up Lamps


Object Number: 847688  Size: FS
Master Electrical Component List
Exterior Lighting Systems Description and Operation
Rear Park Lamps and License Lamps
Fuse Block-Underhood B+ Buss
Fuse Block-Underhood HDLP,GEN,ABS,R/CMPT REL,ECM Fuses
Inside Rearview Mirror Schematics
G402, Page 2 of 2