GM Service Manual Online
For 1990-2009 cars only
Figure 1:

Stop and Rear Turn Lamps


Object Number: 1218994  Size: FS
Master Electrical Component List
Exterior Lighting Systems Description and Operation
DRL, Cornering and Front Turn Lamps
Fuse Block - I/P TRN/SIG, AIRBAG, CLSTR, and PCM, BCM, U/H Fuses, Fuse Block-Underhood CRANK and IGN MAIN Relays
Fuse Block - Underhood BAT 2 Fuse, Fuse Block - I/P HI/BLWR, HAZRD, STOP LAMPS, DR/LCK, and PWR/MIR Fuses
Cruise Control Schematics
Indicators and Stop Lamp
DRL, Cornering and Front Turn Lamps
DRL, Cornering and Front Turn Lamps
DRL, Cornering and Front Turn Lamps
DRL, Cornering and Front Turn Lamps
G201
G401
G402, Page 2 of 2
Figure 2:

DRL, Cornering and Front Turn Lamps


Object Number: 1380685  Size: FS
Master Electrical Component List
Exterior Lighting Systems Description and Operation
Front Park Lamps
Stop and Rear Turn Lamps
Stop and Rear Turn Lamps
Stop and Rear Turn Lamps
Stop and Rear Turn Lamps
Stop and Rear Turn Lamps
G101 and G111
Figure 3:

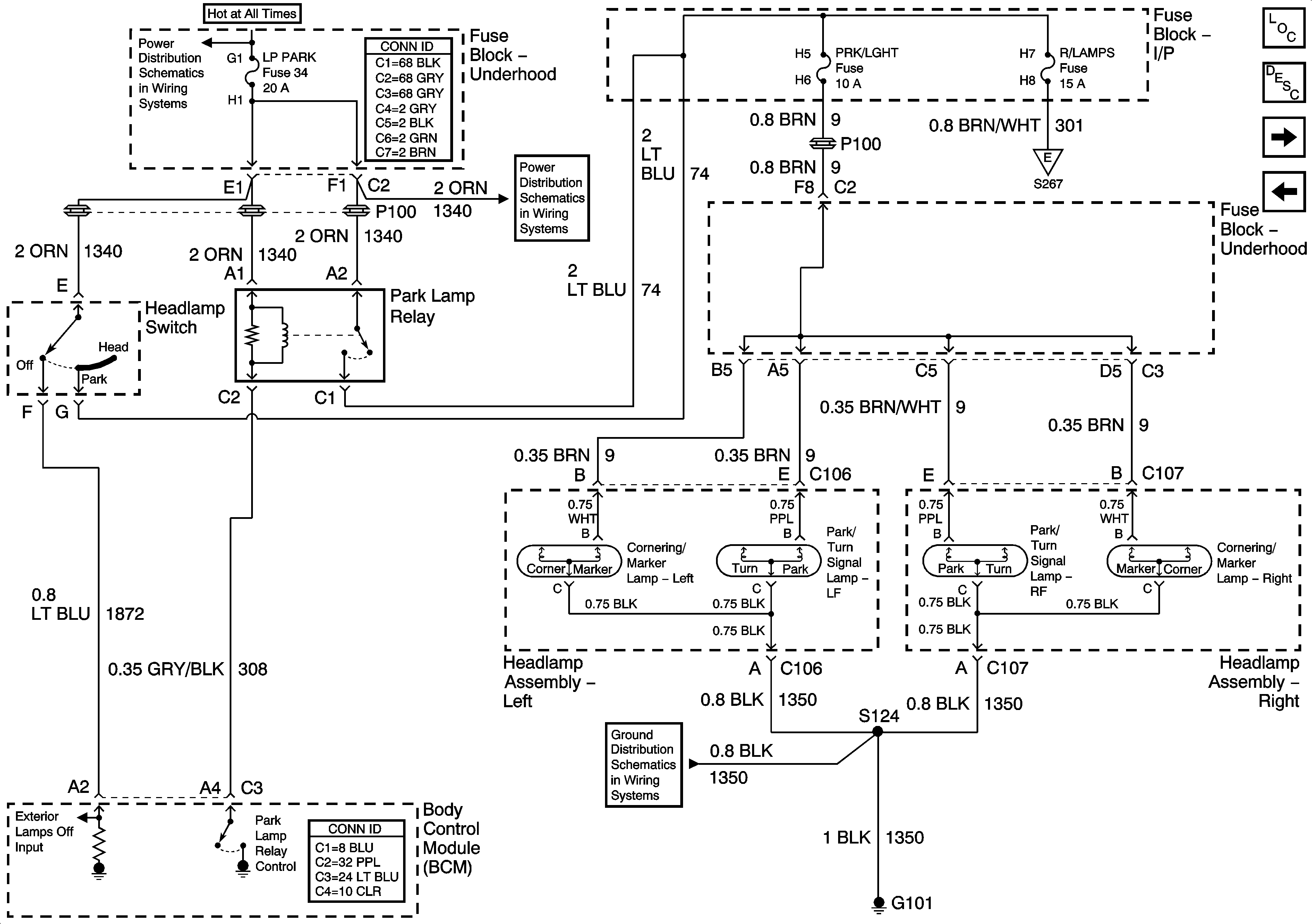
Front Park Lamps


Object Number: 1380693  Size: FS
Master Electrical Component List
Exterior Lighting Systems Description and Operation
Rear License, Marker, and Tail Lamps
DRL, Cornering and Front Turn Lamps
Fuse Block-Underhood B+ Bus
Fuse Block - Underhood LP PARK Fuse, Fuse Block - I/P PRK/LGHT Fuse and PWR WNDW PWR S/ROOF Circuit Breaker
Rear License, Marker, and Tail Lamps
G101 and G111
Figure 4:

Rear License, Marker, and Tail Lamps


Object Number: 1276465  Size: FS
Master Electrical Component List
Exterior Lighting Systems Description and Operation
Back Up Lights
Front Park Lamps
Fuse Block - I/P R/LAMPS and INT/ILLUM Fuses
Front Park Lamps
G402, Page 2 of 2
G401
G402, Page 1 of 2
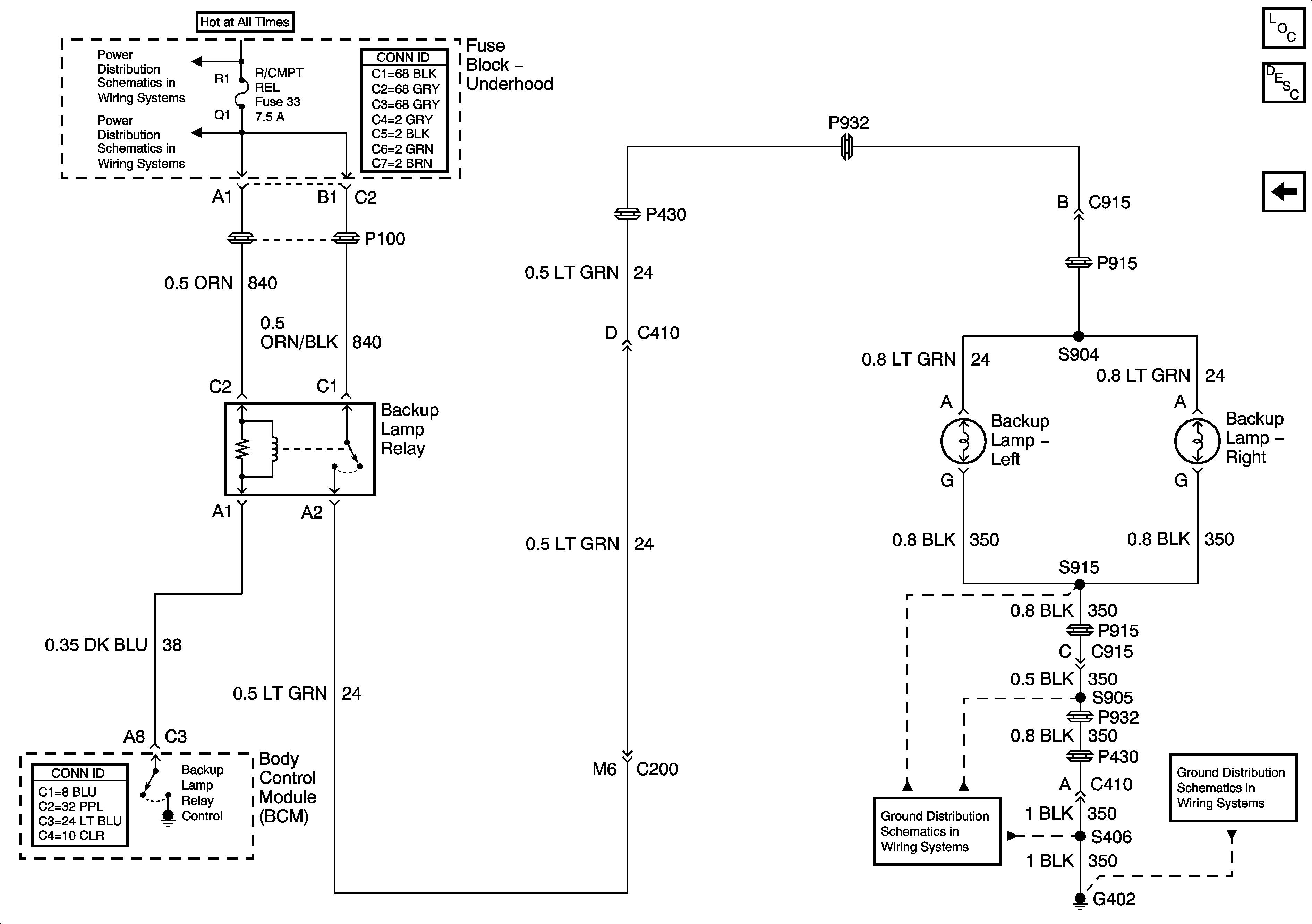
Figure 5:

Back Up Lamps


Object Number: 1380702  Size: FS
Master Electrical Component List
Exterior Lighting Systems Description and Operation
Rear License, Marker, and Tail Lamps
Fuse Block-Underhood B+ Bus
Fuse Block - Underhood HDLP L and R, GEN, ABS, R/CMPT, and ECM Fuses
G402, Page 2 of 2
G402, Page 1 of 2