GM Service Manual Online
For 1990-2009 cars only
Makes
🢒
Buick
🢒
1999
🢒
LeSabre
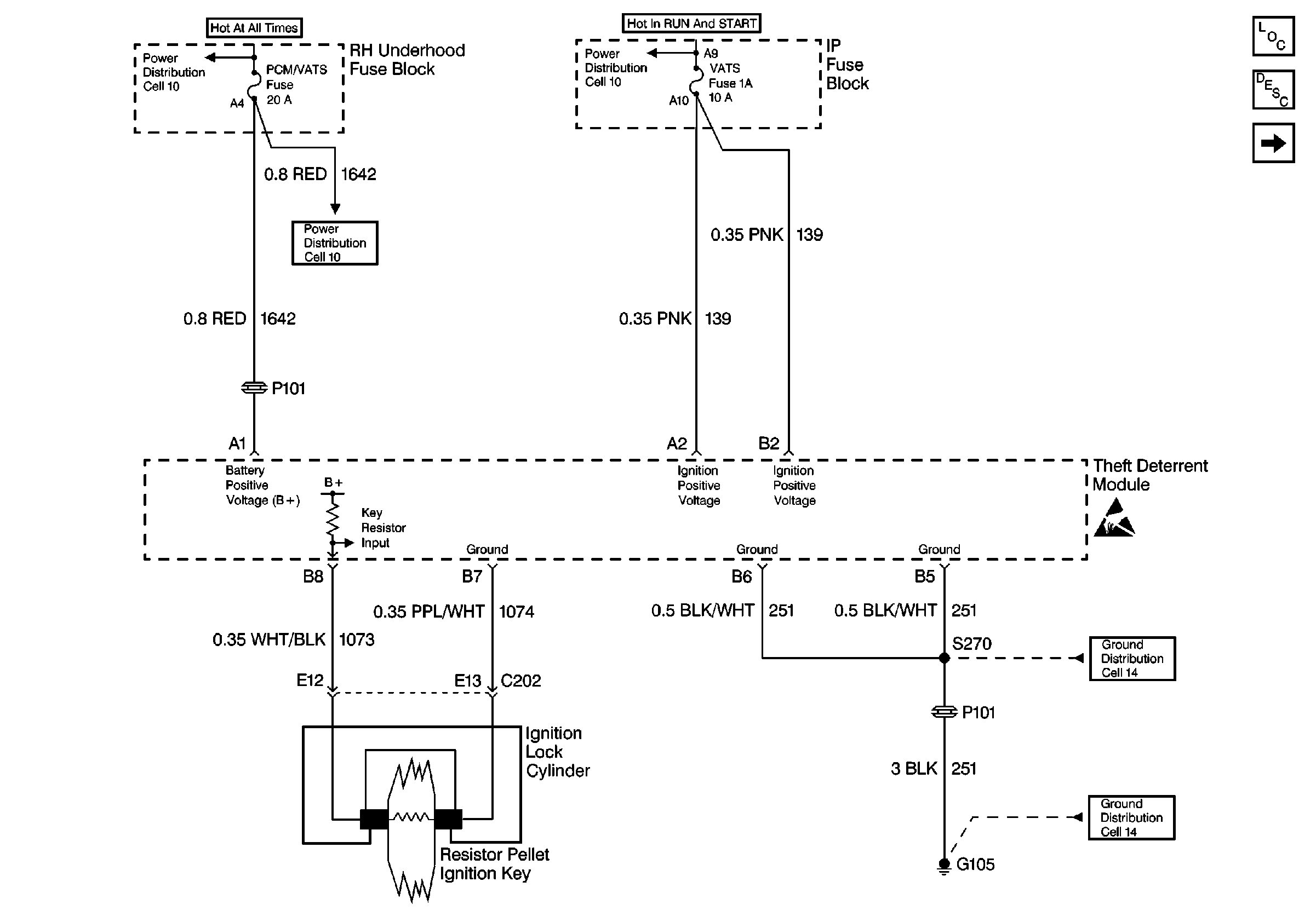
🢒 Cell 133: PASS-Key II System
Cell 133: PASS-Key II System
Cell 133: PASS-Key II System
Theft Deterrent System Components
Content Theft Deterrent (CTD) Description
Cell 133: Ignition Switch
Handling ESD Sensitive Parts Notice
Cell 10: A/C, PCM/VATS, HORNS/DR LKS/TRNK RLY Fuses, and PWR WDO/SR Circuit Breaker
Cell 10: VATS, T/SIG/BU LP/BTSI, AIR BAG, IP AUX OUTLET, and AIR BAG/VATS Fuses
Cell 10: A/C, PCM/VATS, HORNS/DR LKS/TRNK RLY Fuses, and PWR WDO/SR Circuit Breaker
Cell 14: G105 (2 of 4)
Cell 14: G102 and G105 (1 of 4)