GM Service Manual Online
For 1990-2009 cars only
Makes
🢒
Buick
🢒
1999
🢒
LeSabre
🢒 Cell 133: Ignition Switch
Cell 133: Ignition Switch
Cell 133: Ignition Switch
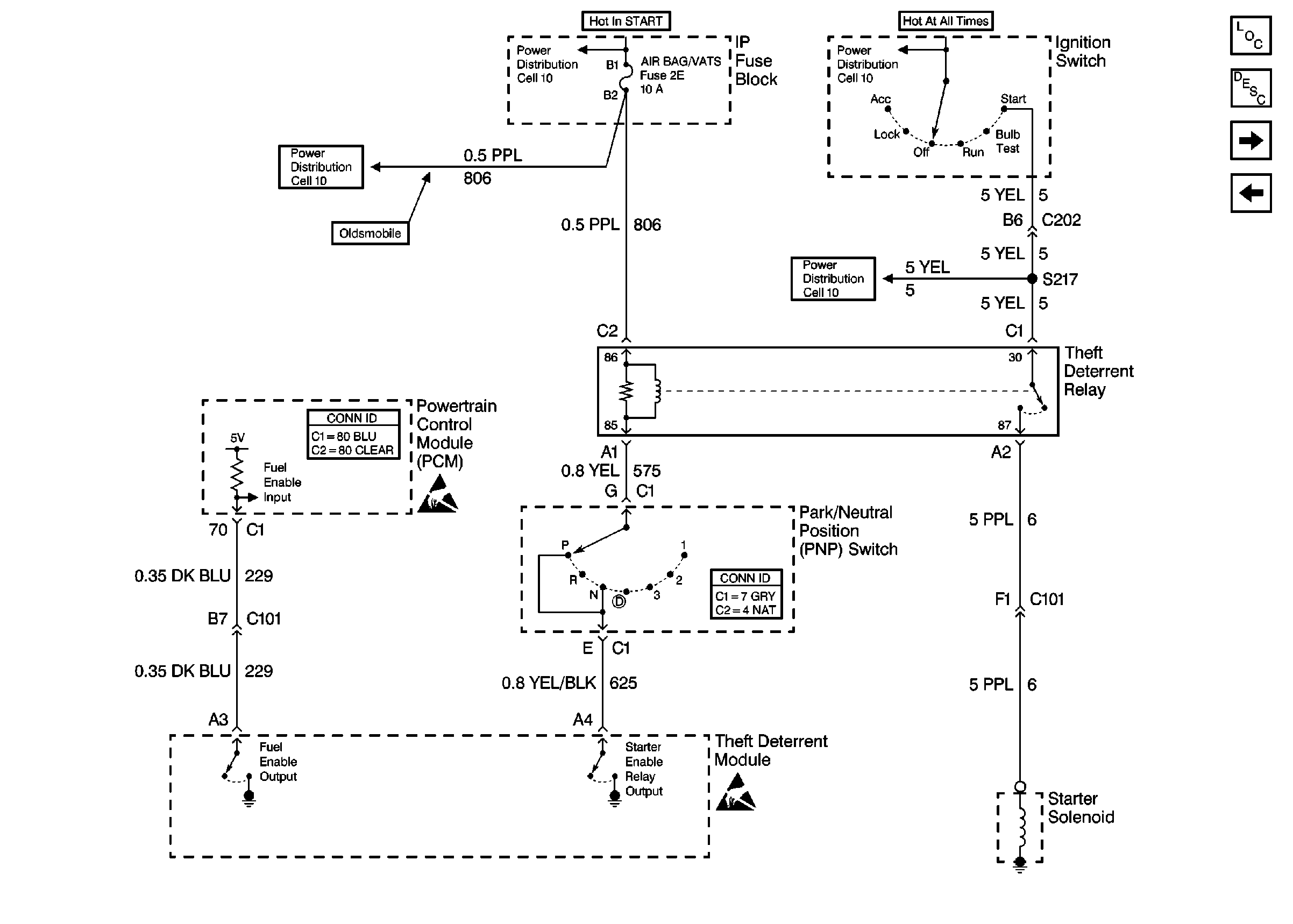
Theft Deterrent System Components
Content Theft Deterrent (CTD) Description
Cell 133: Content Theft Deterrent System (CTD) - UA6
Cell 133: PASS-Key II System
Handling ESD Sensitive Parts Notice
Handling ESD Sensitive Parts Notice
Cell 10: VATS, T/SIG/BU LP/BTSI, AIR BAG, IP AUX OUTLET, and AIR BAG/VATS Fuses
Cell 10: IGN SW Fuse (1 of 2)
Cell 10: IGN SW Fuse (1 of 2)
Cell 10: VATS, T/SIG/BU LP/BTSI, AIR BAG, IP AUX OUTLET, and AIR BAG/VATS Fuses