GM Service Manual Online
For 1990-2009 cars only
Makes
🢒
Buick
🢒
1999
🢒
LeSabre
🢒 Cell 133: Content Theft Deterrent System (CTD) - UA6
Cell 133: Content Theft Deterrent System (CTD) - UA6
Cell 133: Content Theft Deterrent System (CTD) -- UA6
Theft Deterrent System Components
Content Theft Deterrent (CTD) Description
Cell 133: RH Front Door Tamper Switch
Cell 133: Ignition Switch
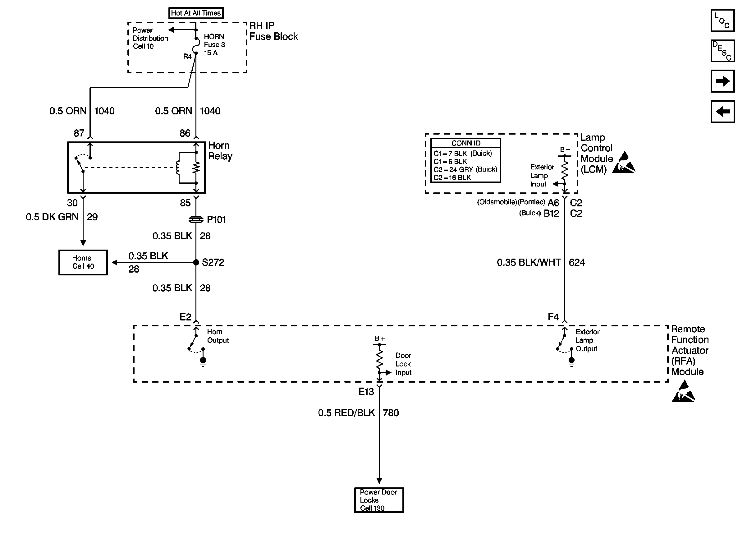
Cell 40: Horns
Cell 10: A/C FEEDBACK, DR LKS, HORN, and RAC/TRUNK REL Fuses
Handling ESD Sensitive Parts Notice
Handling ESD Sensitive Parts Notice
Cell 133: RH Front Door Tamper Switch
Cell 130: Door Locks With Keyless Entry - Buick, Oldsmobile