GM Service Manual Online
For 1990-2009 cars only
Makes
🢒
Buick
🢒
2000
🢒
LeSabre
🢒 Cell 34: ABS/TCC Switch
Cell 34: ABS/TCC Switch
Cell 34: ABS/TCC Switch
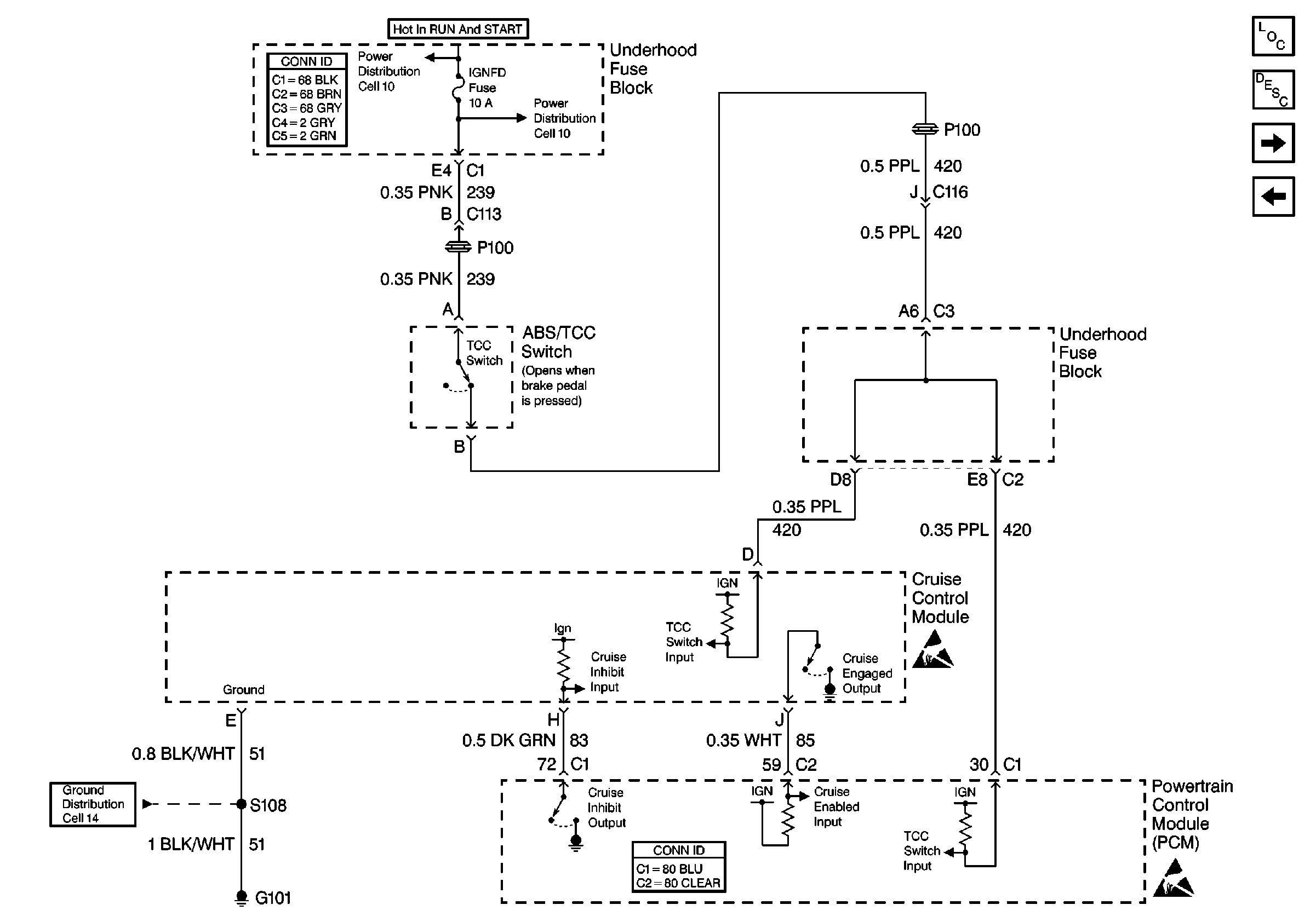
Cruise Control Components
Cruise Control System Circuit Description
Cell 34: Stoplamp Switch
Cell 34: Multifunction Lever
Cell 10: IGNFD, T/SIG, OXY SEN, and SBM LCM Fuses
Cell 10: IGNFD, T/SIG, OXY SEN, and SBM LCM Fuses
Cell 14: G101, G102 and G103
Handling ESD Sensitive Parts Notice
Handling ESD Sensitive Parts Notice
Powertrain Control Module Connector End Views