GM Service Manual Online
For 1990-2009 cars only
Makes
🢒
Buick
🢒
2000
🢒
LeSabre
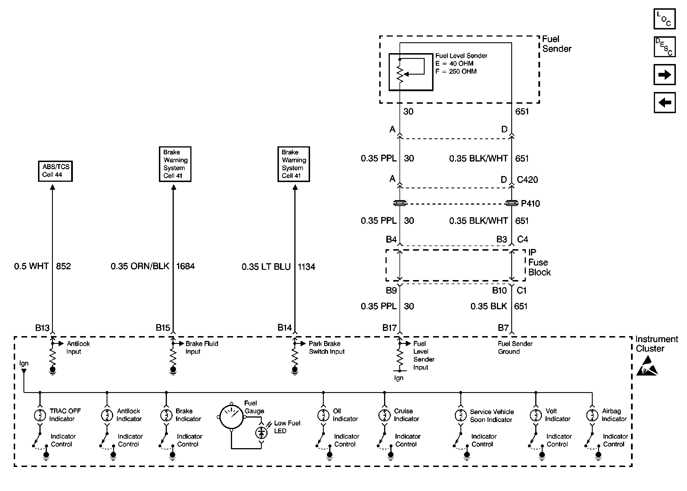
🢒 Cell 81: Brake, Fuel, Oil, Cruise, Volt and Airbag Indicators
Cell 81: Brake, Fuel, Oil, Cruise, Volt and Airbag Indicators
Cell 81: Brake, Fuel, Oil, Cruise, Volt and Airbag Indicators
Instrument Cluster and HUD Components
Instrument Cluster Description
Cell 81: Temperature Gauge, Tachometer, Speedometer and Odometer
Cell 81: Power Distribution
Handling ESD Sensitive Parts Notice
Cell 44: Indicators and Stoplamp/BTSI Switch
Cell 41 Brake Warning
Cell 41 Brake Warning