GM Service Manual Online
For 1990-2009 cars only
Makes
🢒
Buick
🢒
2000
🢒
LeSabre
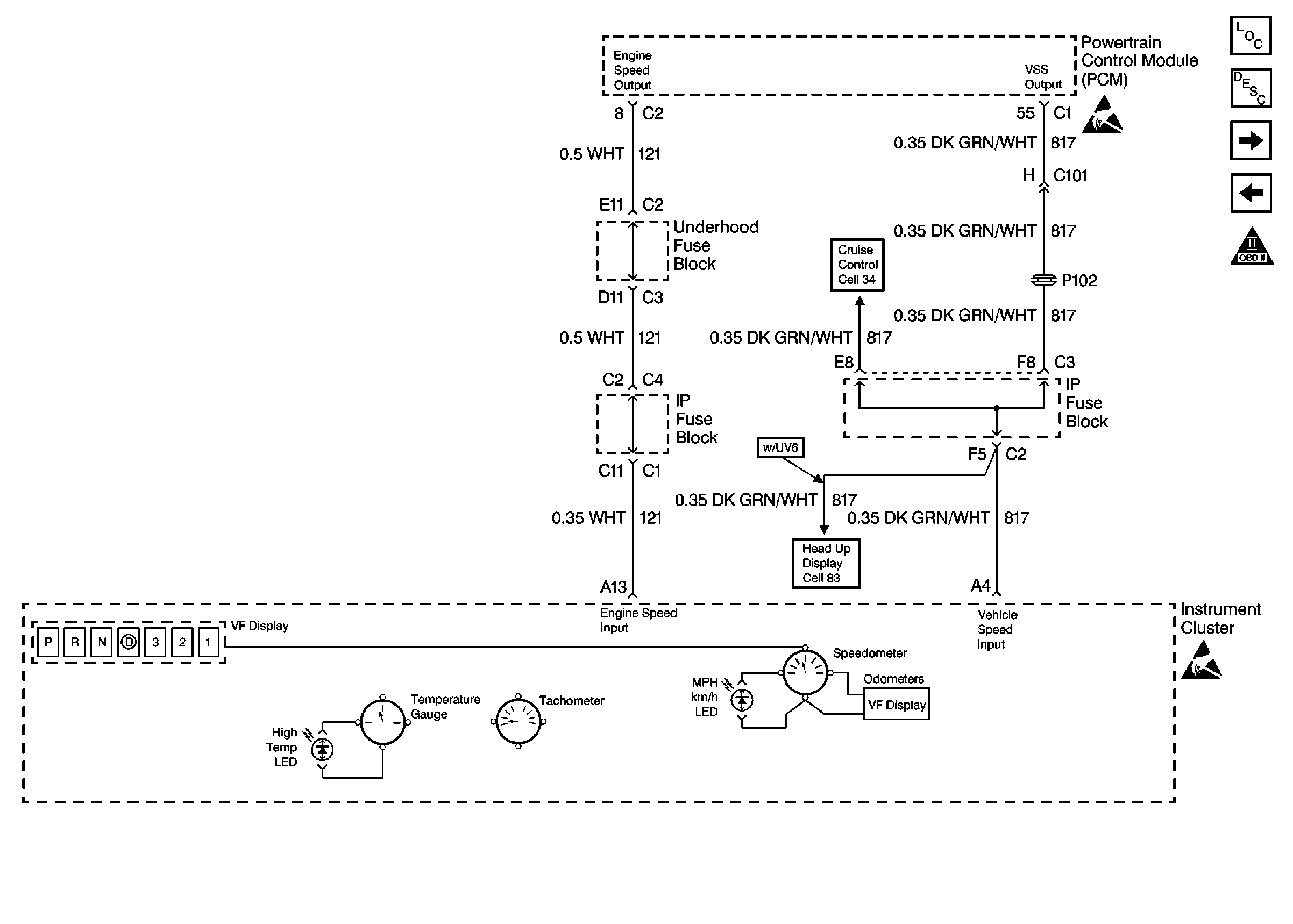
🢒 Cell 81: Temperature Gauge, Tachometer, Speedometer and Odometer
Cell 81: Temperature Gauge, Tachometer, Speedometer and Odometer
Cell 81: Temperature Gauge, Tachomteer, Speedometer and Odometer
Instrument Cluster and HUD Components
Instrument Cluster Description
Cell 81: Driver Information and Head Up Display
Cell 81: Brake, Fuel, Oil, Cruise, Volt and Airbag Indicators
OBD II Symbol Description Notice
Handling ESD Sensitive Parts Notice
Cell 34: Stoplamp Switch
Cell 83
Handling ESD Sensitive Parts Notice