GM Service Manual Online
For 1990-2009 cars only
Makes
🢒
Buick
🢒
2000
🢒
LeSabre
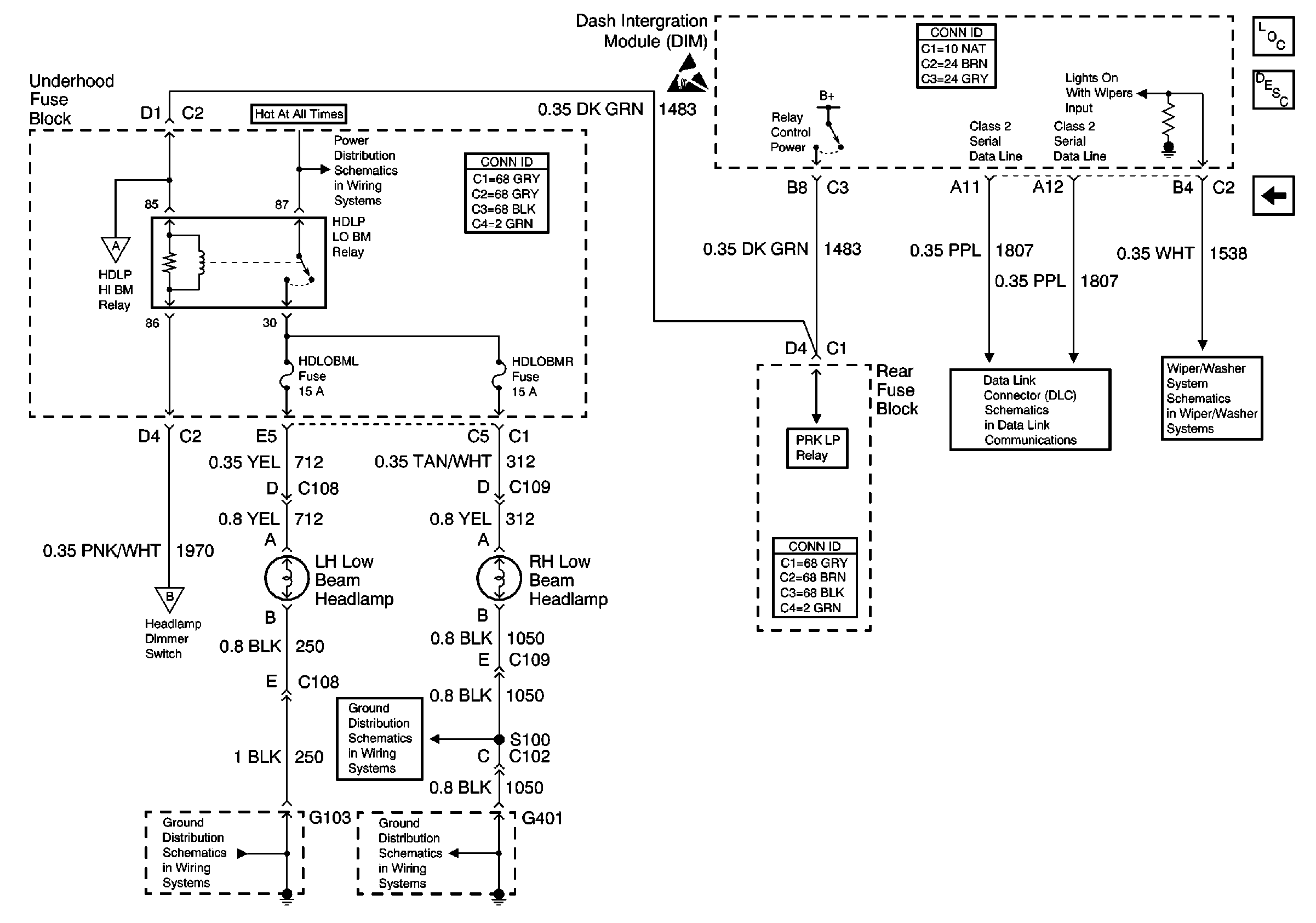
🢒 Low Beam Headlamps
Low Beam Headlamps
Low Beam Headlamps
Lighting Systems Components
Headlights Circuit Description
DRL, High Beam Headlamps, Dimmer Switch
Handling ESD Sensitive Parts Notice
DRL, High Beam Headlamps, Dimmer Switch
Park Lamp Relay
Serial Data Class 2
Wiper Motor, Washer Pump Motor, Outside Moisture Sensor
DRL, High Beam Headlamps, Dimmer Switch
G401 (2 of 2)
G103
G401 (2 of 2)
High Beam, Low Beam and DRL Relays, High Beam and Low Beam Fuses (U/HBEC)