GM Service Manual Online
For 1990-2009 cars only
Makes
🢒
Buick
🢒
2000
🢒
LeSabre
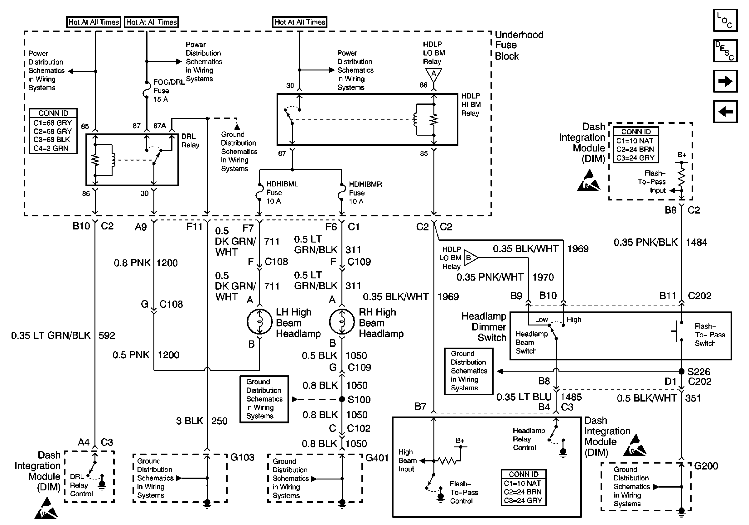
🢒 DRL, High Beam Headlamps, Dimmer Switch
DRL, High Beam Headlamps, Dimmer Switch
DRL, High Beam Headlamps, Dimmer Switch
Lighting Systems Components
Headlights Circuit Description
Low Beam Headlamps
Headlamp Switch, Ambient Light Sensor (C67)
Low Beam Headlamps
G103
Handling ESD Sensitive Parts Notice
Low Beam Headlamps
G401 (2 of 2)
Handling ESD Sensitive Parts Notice
Handling ESD Sensitive Parts Notice
G103
G401 (2 of 2)
G200 (1 of 2)
G200 (1 of 2)
High Beam, Low Beam and DRL Relays, High Beam and Low Beam Fuses (U/HBEC)
High Beam, Low Beam and DRL Relays, High Beam and Low Beam Fuses (U/HBEC)
High Beam, Low Beam and DRL Relays, High Beam and Low Beam Fuses (U/HBEC)