GM Service Manual Online
For 1990-2009 cars only
Makes
🢒
Buick
🢒
2000
🢒
LeSabre
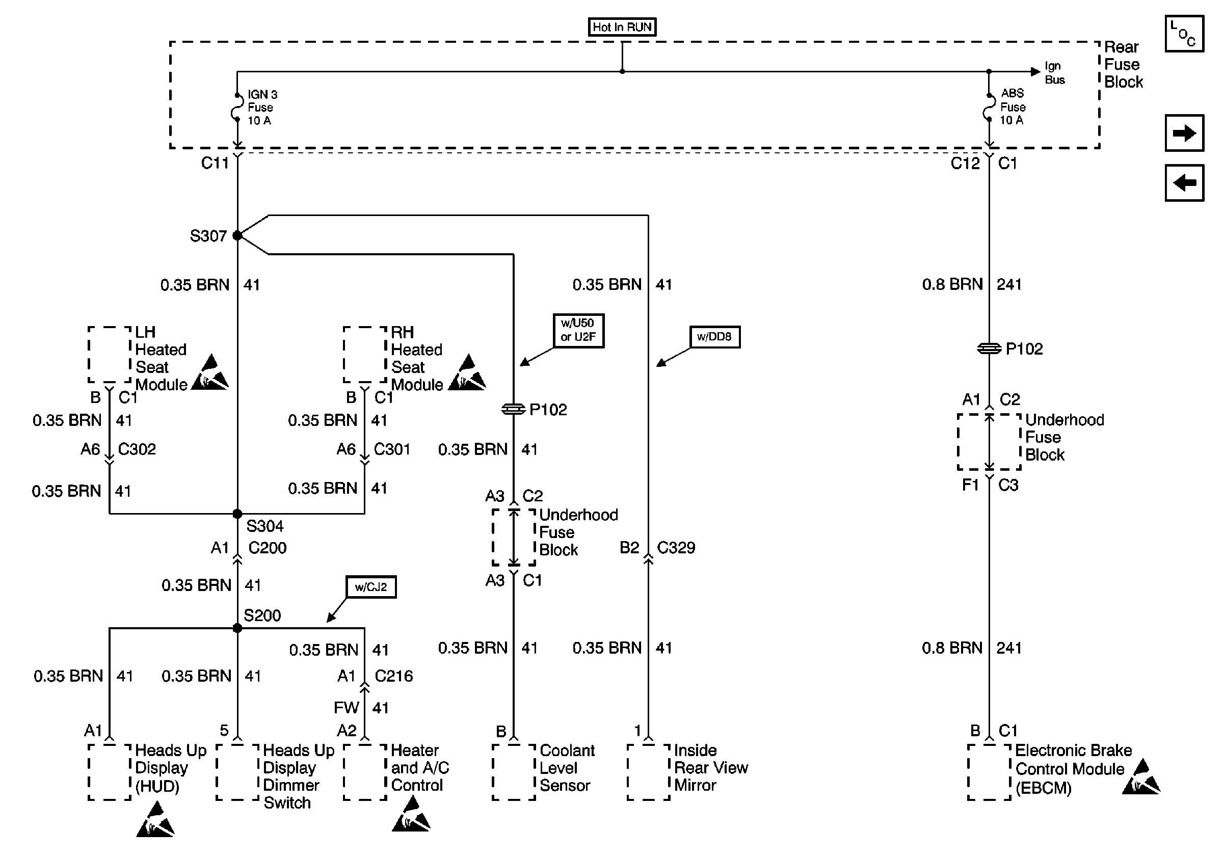
🢒 IGN3 and ABS Fuses (Rear Fuse Block)
IGN3 and ABS Fuses (Rear Fuse Block)
IGN3 and ABS Fuses (Rear Fuse Block)
Power and Grounding Components
HVAC Fuse (Rear Fuse Block)
IGN-1, VENT SOL and SIR Fuse (Rear Fuse Block)
Battery Feed to the Rear Fuse Block
Handling ESD Sensitive Parts Notice
Handling ESD Sensitive Parts Notice
Handling ESD Sensitive Parts Notice
Handling ESD Sensitive Parts Notice
Handling ESD Sensitive Parts Notice