GM Service Manual Online
For 1990-2009 cars only
Makes
🢒
Buick
🢒
2000
🢒
LeSabre
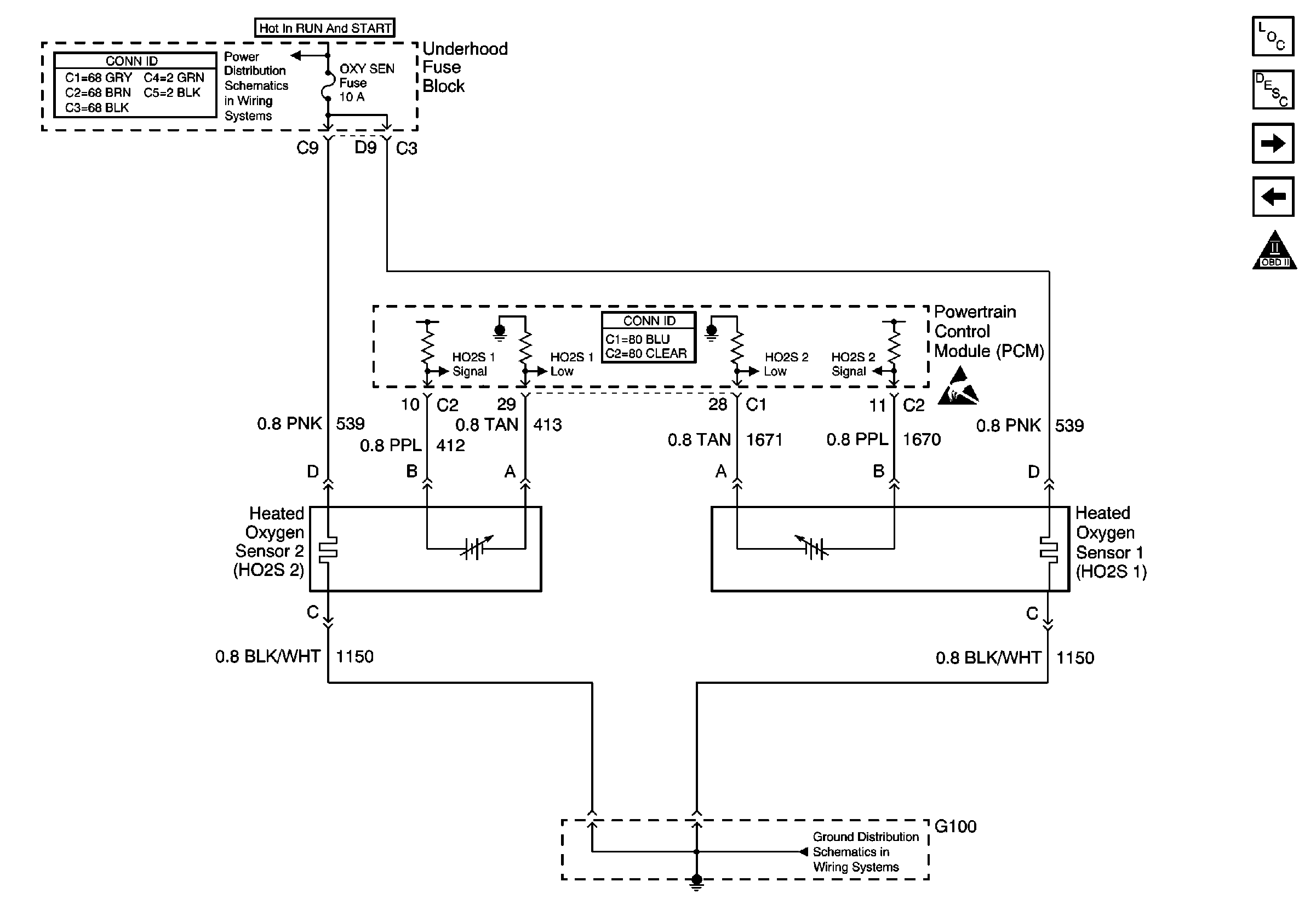
🢒 HO2S 1, HO2S 2
HO2S 1, HO2S 2
HO2S 1, HO2S 2
Engine Controls Components
Information Sensors/Switches Description
Fuel Tank Pressure Sensor, EVAP Canister Vent Solenoid
IAC Valve, MAF and Knock Sensors
Handling ESD Sensitive Parts Notice
IGN-1 Relay, TRANS, DIS, OXY SEN and IGN 1 Fuses (Underhood Fuse Block)
G100 and G102