GM Service Manual Online
For 1990-2009 cars only
Makes
🢒
Buick
🢒
2000
🢒
LeSabre
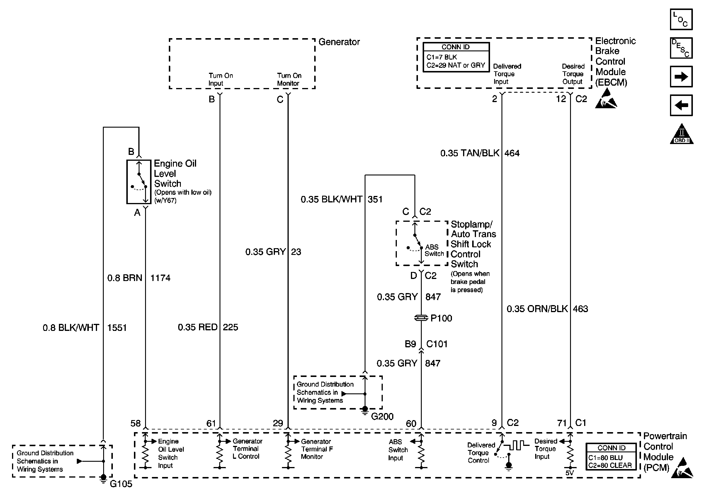
🢒 Generator, EBCM, Oil level and Auto Trans Shift Lock Control Switches
Generator, EBCM, Oil level and Auto Trans Shift Lock Control Switches
Generator, EBCM, Oil level and Auto Trans Shift Lock Control Switches
Engine Controls Components
Powertrain Control Module Controlled Generator Description
A/C Clutch and Relay
Secondary Air Bypass Valve, EGR Valve
Handling ESD Sensitive Parts Notice
G104 and G105
G200 (1 of 2)
Handling ESD Sensitive Parts Notice