GM Service Manual Online
For 1990-2009 cars only
Makes
🢒
Buick
🢒
2000
🢒
LeSabre
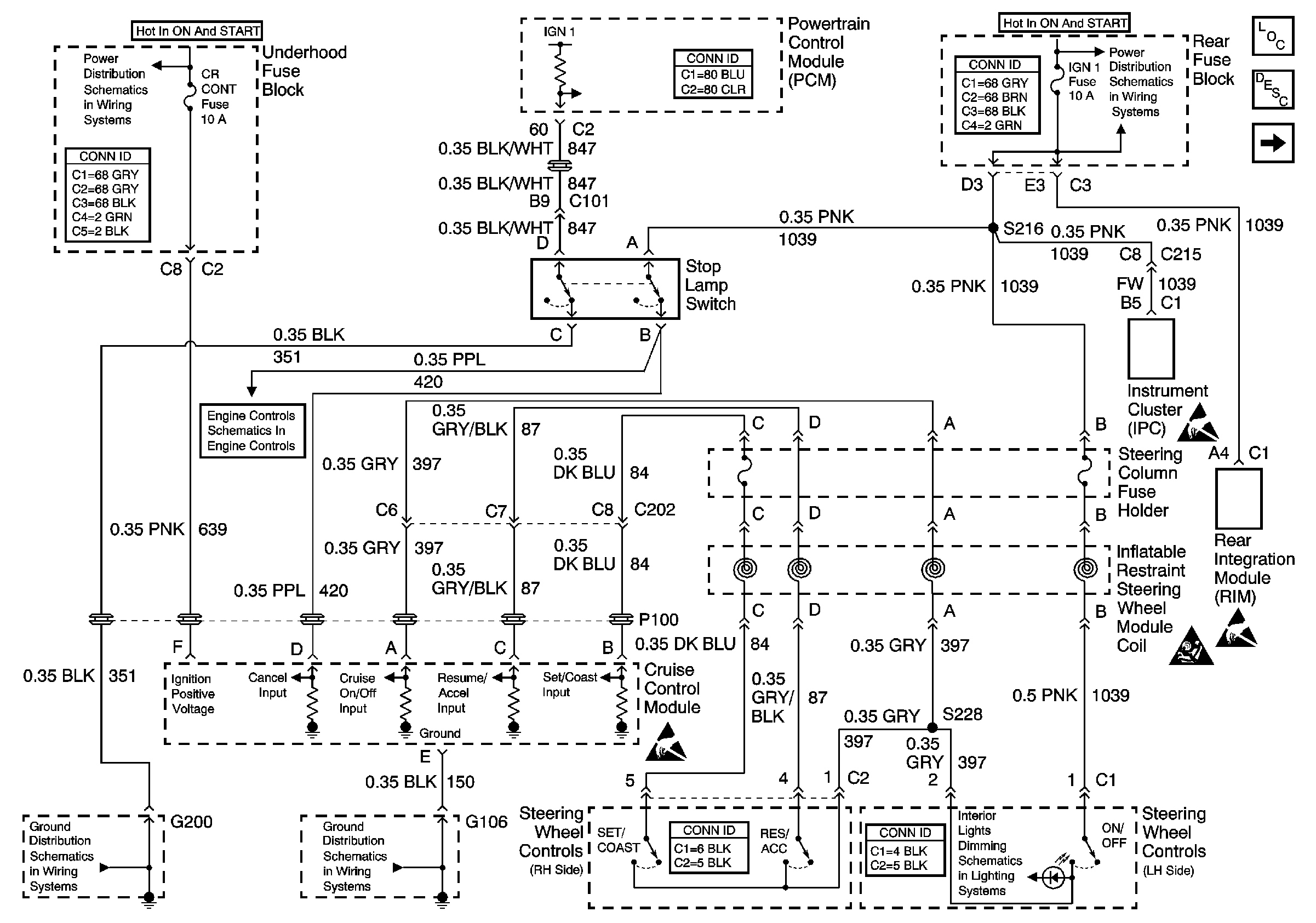
🢒 Cruise Control Switch, CCM Power and Grounds
Cruise Control Switch, CCM Power and Grounds
Cruise Control Switch, CCM Power and Grounds
Instrument Cluster and HUD Component Views
Lighting Systems Component Views
Power and Grounding Component Views
START 1 Relay, INJR 2, PCM IGN, CR CONT, and INJR 1 Fuses (UnDERhood Fuse Block)
Cruise Control Component Views
Power and Grounding Component Views
IGN-1 Relay, TRANS, DIS, OXY SEN and IGN 1 Fuses (Underhood Fuse Block)
Cruise Control Component Views
Retained Accessory Power (RAP) Components
Cruise Control Components
Cruise Control System Circuit Description
CCM, PCM Controls and Vehicle Speed Input
Handling Electrostatic Discharge Sensitive Parts Notice
Handling Electrostatic Discharge Sensitive Parts Notice
SIR Caution
Handling Electrostatic Discharge Sensitive Parts Notice
Generator, EBCM, Oil level and Auto Trans Shift Lock Control Switches
G101, G106, and G107
Steering Column Dimming