GM Service Manual Online
For 1990-2009 cars only
Makes
🢒
Buick
🢒
2000
🢒
LeSabre
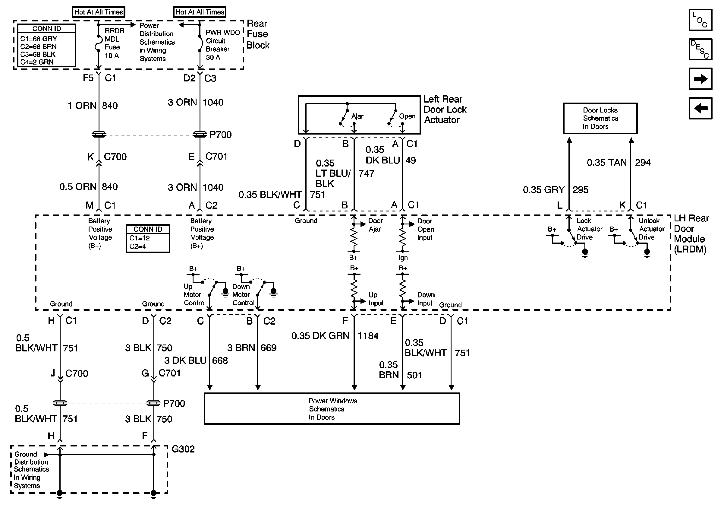
🢒 Left Rear Door Module (LRDM)
Left Rear Door Module (LRDM)
Left Rear Door Module (LRDM)
Power Door Systems Components
Right Rear Door Module (RRDM)
Passenger Door Module (PDM) Inputs/Outputs
HVAC BATT, DRV MDL, PASS MDL and RRDRMDL Fuses (Rear Fuse Block)
PWR WDO and PWR SEAT Circuit Breakers (Rear Fuse Block)
LH Rear Door
G302
LH Rear Door