GM Service Manual Online
For 1990-2009 cars only
Makes
🢒
Buick
🢒
2000
🢒
LeSabre
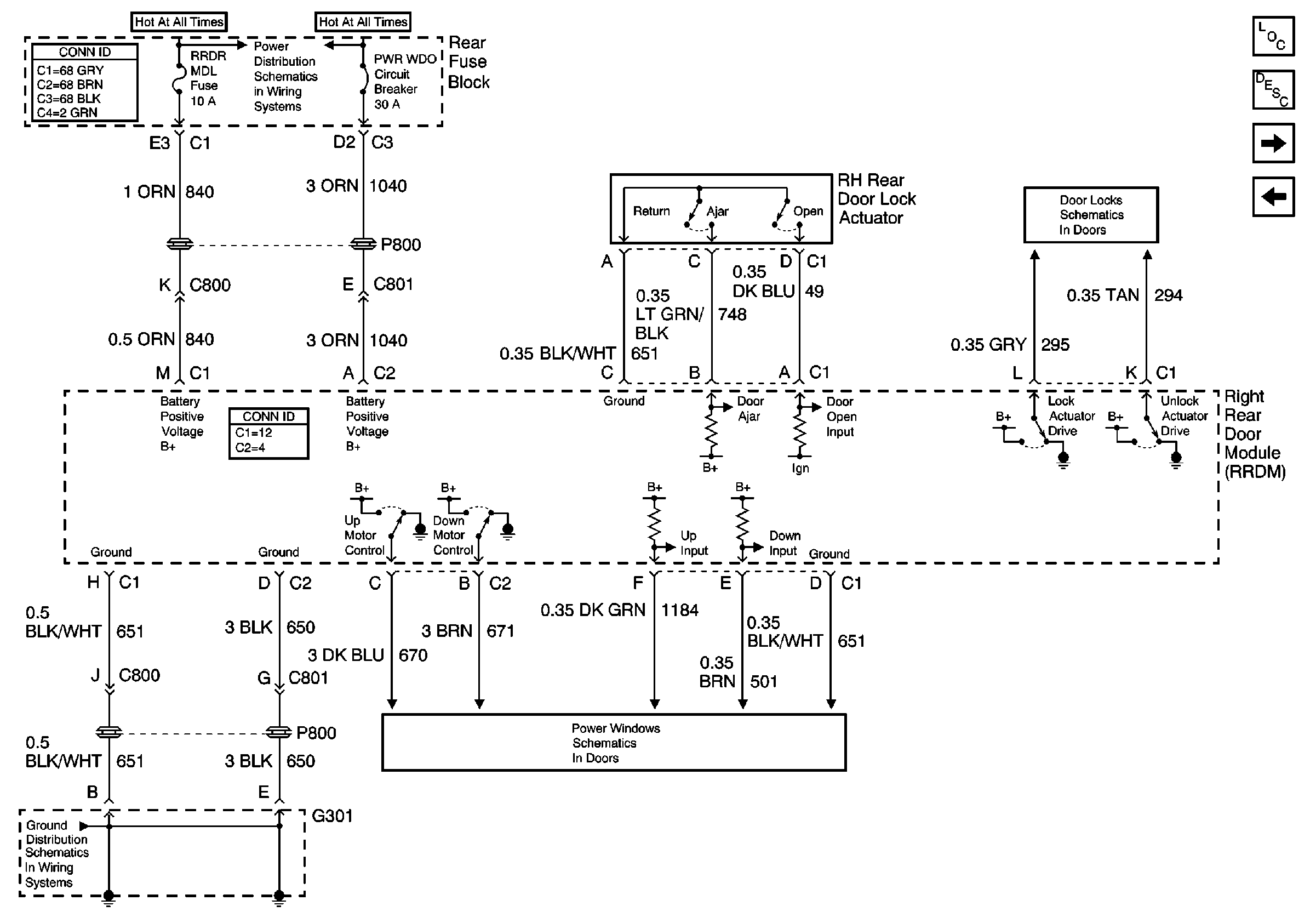
🢒 Right Rear Door Module (RRDM)
Right Rear Door Module (RRDM)
Right Rear Door Module (RRDM)
Power Door Systems Components
Left Rear Door Module (LRDM)
Passenger Door Module (PDM) Inputs/Outputs
HVAC BATT, DRV MDL, PASS MDL and RRDRMDL Fuses (Rear Fuse Block)
PWR WDO and PWR SEAT Circuit Breakers (Rear Fuse Block)
RH Rear Door
G300 and G301 (3 of 3)
RH Rear Door