GM Service Manual Online
For 1990-2009 cars only
Makes
🢒
Buick
🢒
2000
🢒
LeSabre
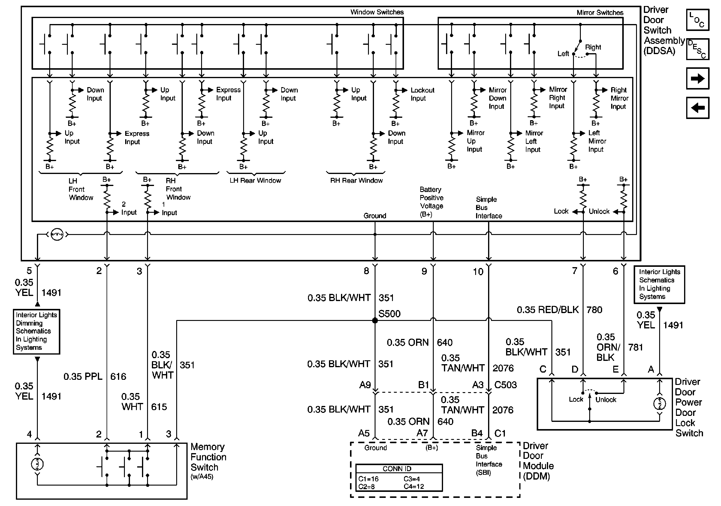
🢒 Driver Door Switch Assembly
Driver Door Switch Assembly
Driver Door Switch Assembly
Power Door Systems Components
Simple Bus Interface
Right Rear Door Module (RRDM)
Front Door Dimming
Front Door Dimming