GM Service Manual Online
For 1990-2009 cars only
Makes
🢒
Buick
🢒
2000
🢒
LeSabre
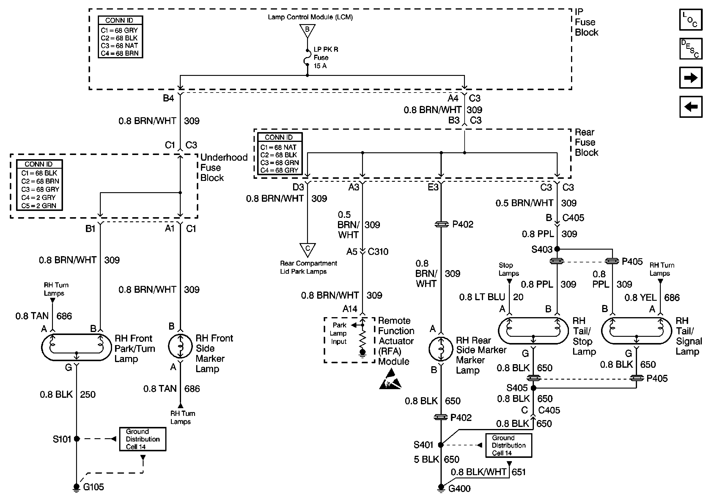
🢒 Cell 110: RH Park Lamps
Cell 110: RH Park Lamps
Cell 110: RH Park Lamps
Lighting Systems Components
Exterior Lights Circuit Description
Cell 110: Rear Compartment Lid Park Lamps
Cell 110: LH Park Lamps
Ground Distribution Schematics
Ground Distribution Schematics
Handling ESD Sensitive Parts Notice
Cell 110: Headlamp Switch, Park Lamp Control
Cell 110: Rear Compartment Lid Park Lamps
Cell 110: Stoplamps
Cell 110: RH Turn Lamps
Cell 110: RH Turn Lamps
Cell 110: RH Turn Lamps
Power and Grounding Connector End Views
Power and Grounding Connector End Views
Power and Grounding Connector End Views