GM Service Manual Online
For 1990-2009 cars only
Makes
🢒
Buick
🢒
2000
🢒
LeSabre
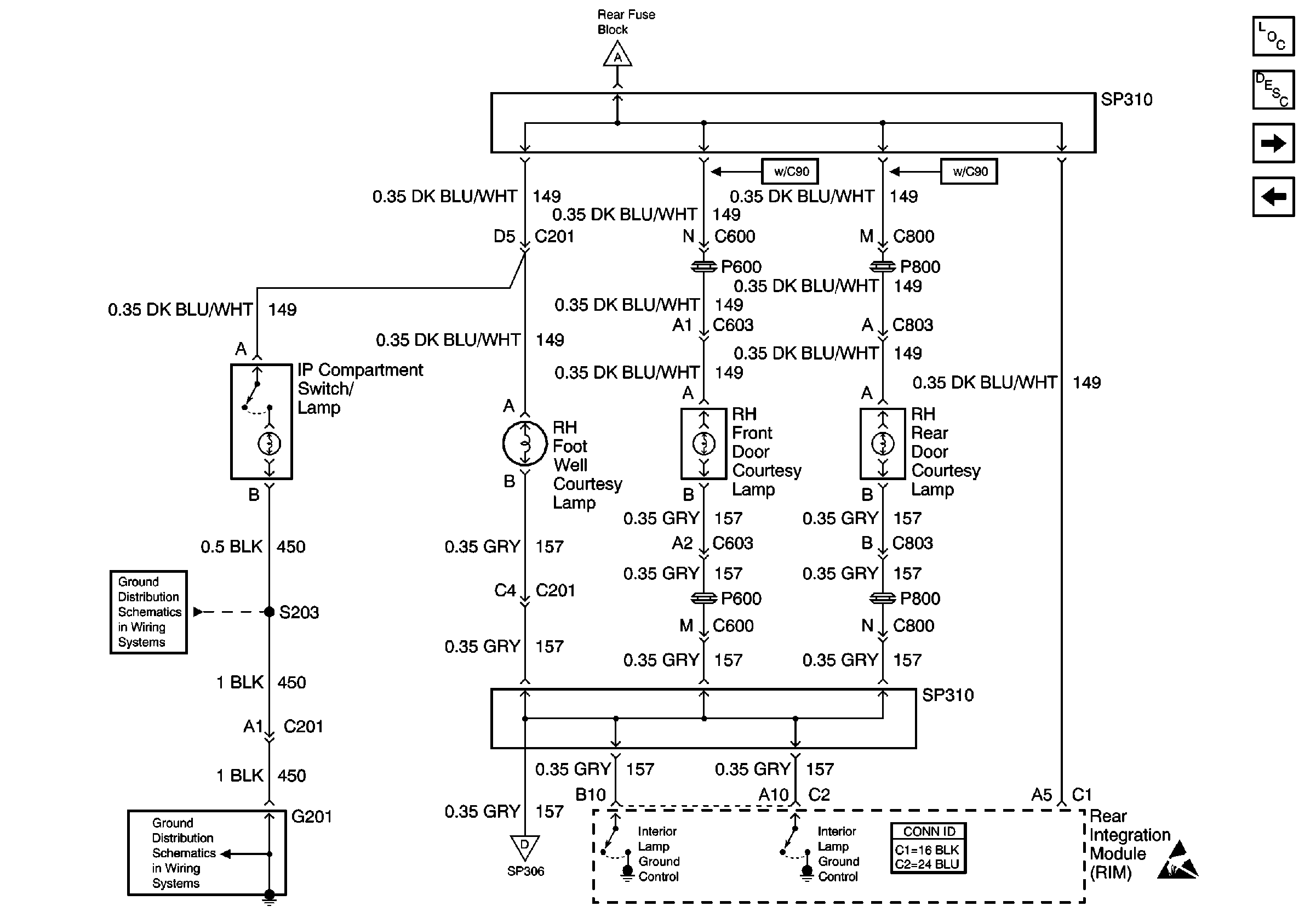
🢒 RH Courtesy Lamps
RH Courtesy Lamps
RH Courtesy Lamps
Interior Lamp Relay
G201
G201
LH Courtesy Lamps
Handling ESD Sensitive Parts Notice
Lighting Systems Components
Interior Lights Circuit Description
Courtesy/Reading Lamps and Vanity Mirrors
LH Courtesy Lamps