GM Service Manual Online
For 1990-2009 cars only
Makes
🢒
Buick
🢒
2000
🢒
LeSabre
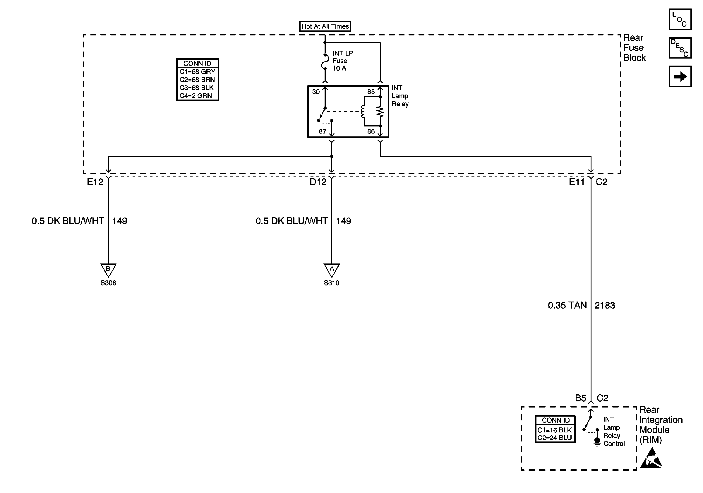
🢒 Interior Lamp Relay
Interior Lamp Relay
Interior Lamp Relay
LH Courtesy Lamps
RH Courtesy Lamps
Handling ESD Sensitive Parts Notice
Lighting Systems Components
Interior Lights Circuit Description
Door Jamb Switches