GM Service Manual Online
For 1990-2009 cars only

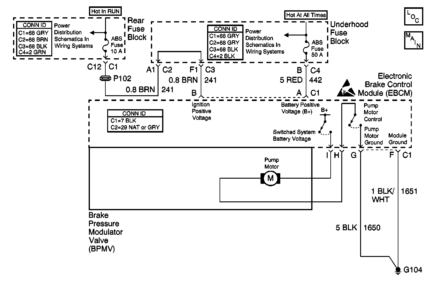
Object Number: 456451  Size: MF
ABS Components
PWR, GND, Stoplamp Switch, Solenoid Valves, and Pump Motor
Handling ESD Sensitive Parts Notice
Battery Feed to the Rear Fuse Block
Battery Feed to the Underhood Fuse Block

Circuit Description

The system relay is energized when the ignition is ON. The system relay supplies voltage to the solenoid valves and the pump motor. This voltage is referred to as the system voltage.

The electronic brake control module (EBCM) controls each solenoid valve by grounding the solenoid.

The EBCM controls the pump motor by grounding the control circuit. The pump serves 2 purposes:

    • Transfers brake fluid from the brake calipers to the master cylinder reservoir during pressure decrease events.
    • Transfers brake fluid from the master cylinder reservoir to the brake calipers during pressure increase events.

Conditions for Running the DTC

    • The pump motor is ON for at least 0.3 seconds.
    • The system relay is ON.

Conditions for Setting the DTC

The pump motor is stalled or turning slowly.

Action Taken When the DTC Sets

If equipped, the following actions occur:

    • The EBCM disables the ABS/TCS/VSES for the duration of the ignition cycle.
    • The DRP does not function optimally.
    • The ABS indicator turns ON.
    • The TRACTION OFF indicator turns ON.
    • The DIC displays the SERVICE STABILITY SYSTEM message.

Conditions for Clearing the DTC

    • The condition for the DTC is no longer present and the DTC is cleared with a scan tool.
    • The electronic brake control module (EBCM) automatically clears the history DTC when a current DTC is not detected in 100 consecutive drive cycles.

Diagnostic Aids

The pump motor is integral to the BPMV. The pump motor is not serviceable.

Test Description

The number below refers to the step number on the diagnostic table.

  1. Tests the ability of the EBCM to control the pump motor. If the test lamp illuminates, the pump motor circuit within the EBCM is good.

Step

Action

Value(s)

Yes

No

1

Did you perform the ABS Diagnostic System Check?

--

Go to Step 2

Go to Diagnostic System Check - ABS

2

  1. Install a scan tool.
  2. Turn ON the ignition, with the engine OFF.
  3. Use the scan tool in order to clear the DTCs.
  4. With the scan tool, perform the Automated Test.

Does the DTC reset?

--

Go to Step 3

Go to Testing for Intermittent Conditions and Poor Connections in Wiring Systems

3

  1. Turn OFF the ignition.
  2. Disconnect the pump motor harness pigtail connector of the BPMV.
  3. Connect a test lamp between the pump motor circuits at the pump motor connector of the EBCM using the J 35616 connector test adapter kit.
  4. Use the scan tool in order to clear the DTCs.
  5. With the scan tool, perform the Pump Motor Test.

Does the test lamp illuminate?

--

Go to Step 4

Go to Step 5

4

Inspect for poor connections at the pump motor harness pigtail connector of the BPMV. Refer to Testing for Intermittent Conditions and Poor Connections and Connector Repairs in Wiring Systems.

Did you find and correct the condition?

--

Go to Step 8

Go to Step 6

5

Inspect for poor connections at the harness connector of the EBCM. Refer to Testing for Intermittent Conditions and Poor Connections and Connector Repairs in Wiring Systems.

Did you find and correct the condition?

--

Go to Step 8

Go to Step 7

6

Replace the BPMV. Refer to Brake Pressure Modulator Valve Replacement .

Did you complete the repair?

--

Go to Step 8

--

7

Important: Perform the setup procedure for the EBCM. An unprogrammed EBCM will result in the following conditions:

   • Inoperative or poorly functioning DRP/ABS/TCS/VSES/VES/TIM (if equipped)
   • Set DTC C1248 EBCM Turned the Red Brake Warning Indicator On
   • Set DTC C1255m3 EBCM Internal Malfunction

Replace the EBCM. Refer to Electronic Brake Control Module Replacement .

Did you complete the repair?

--

Go to Step 8

--

8

  1. Use the scan tool in order to clear the DTCs.
  2. With the scan tool, perform the Automated Test.

Does the DTC reset?

--

Go to Step 2

System OK