GM Service Manual Online
For 1990-2009 cars only
Makes
🢒
Buick
🢒
2005
🢒
LeSabre
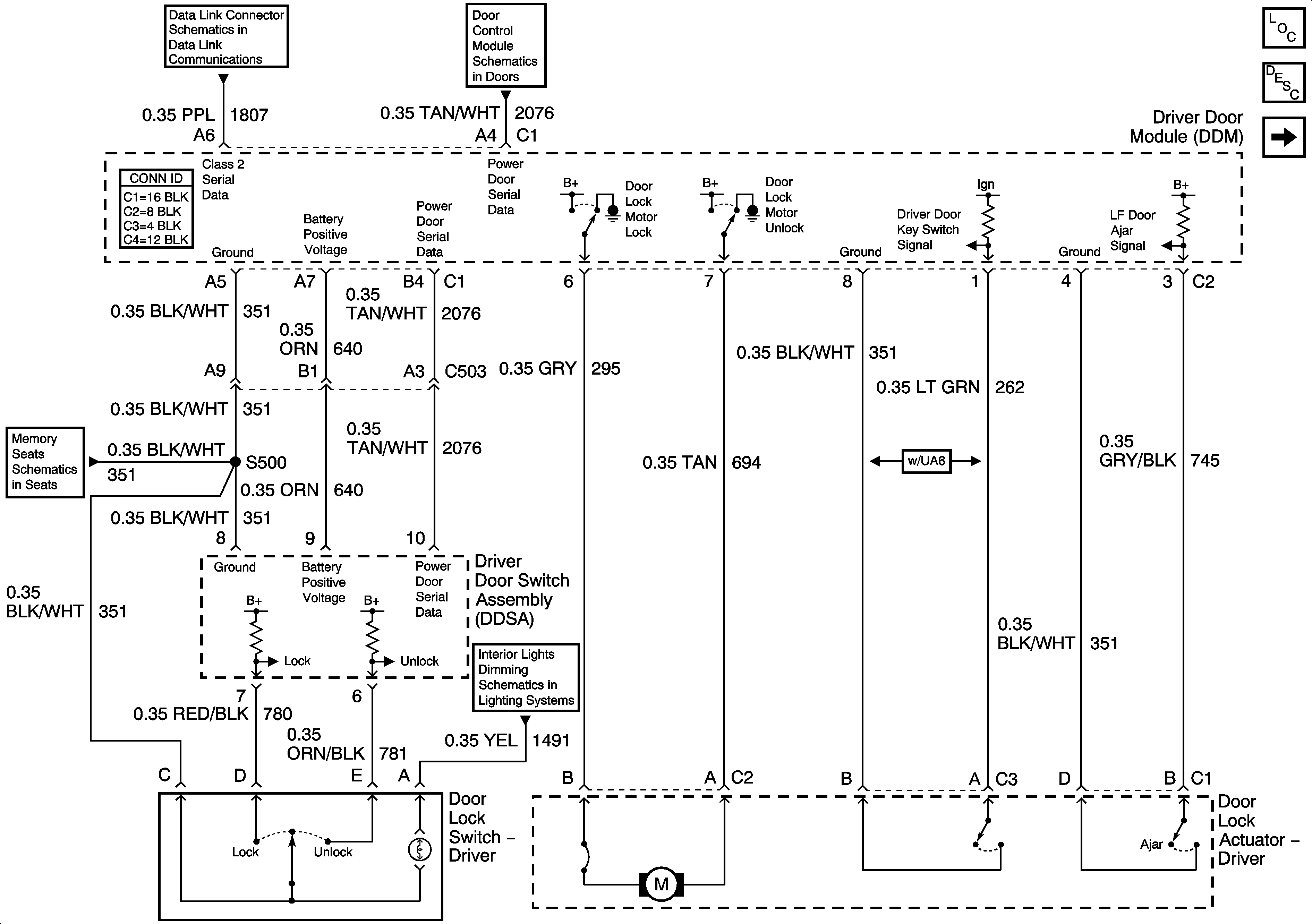
🢒 Driver Door
Driver Door
Driver Door
Master Electrical Component List
Power Door Locks Description and Operation
Front Passenger Door
Serial Data Class 2
Power Door Serial Data
Memory Function Switch
Front Doors Dimming