GM Service Manual Online
For 1990-2009 cars only
Makes
🢒
Buick
🢒
2005
🢒
LeSabre
🢒 Front Passenger Door
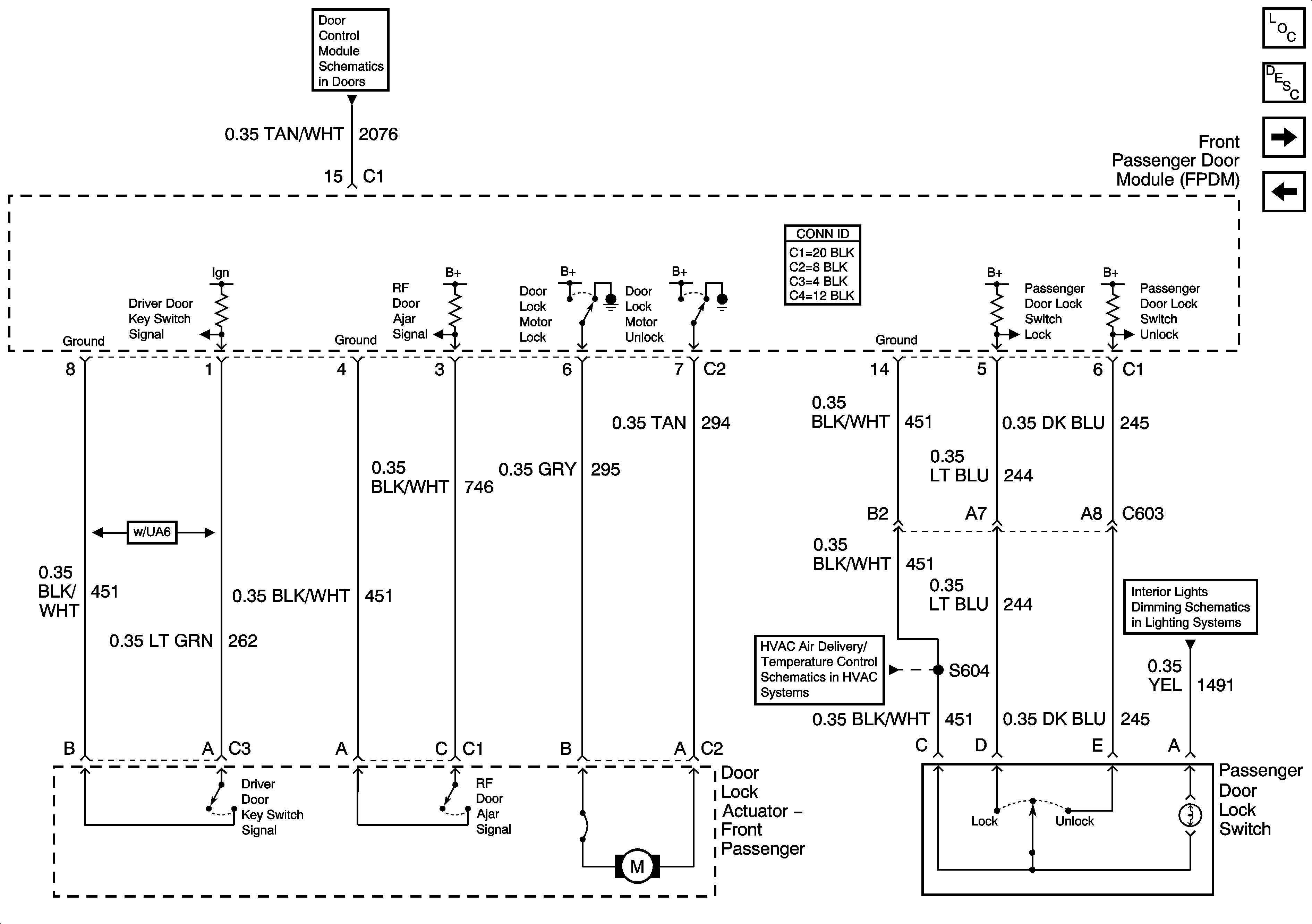
Front Passenger Door
Front Passenger Door
Master Electrical Component List
Power Door Locks Description and Operation
Left Rear Door and Right Rear Door
Driver Door
Power Door Serial Data
Front Passenger Climate Control (CJ2)
Front Doors Dimming