GM Service Manual Online
For 1990-2009 cars only
Makes
🢒
Buick
🢒
2005
🢒
LeSabre
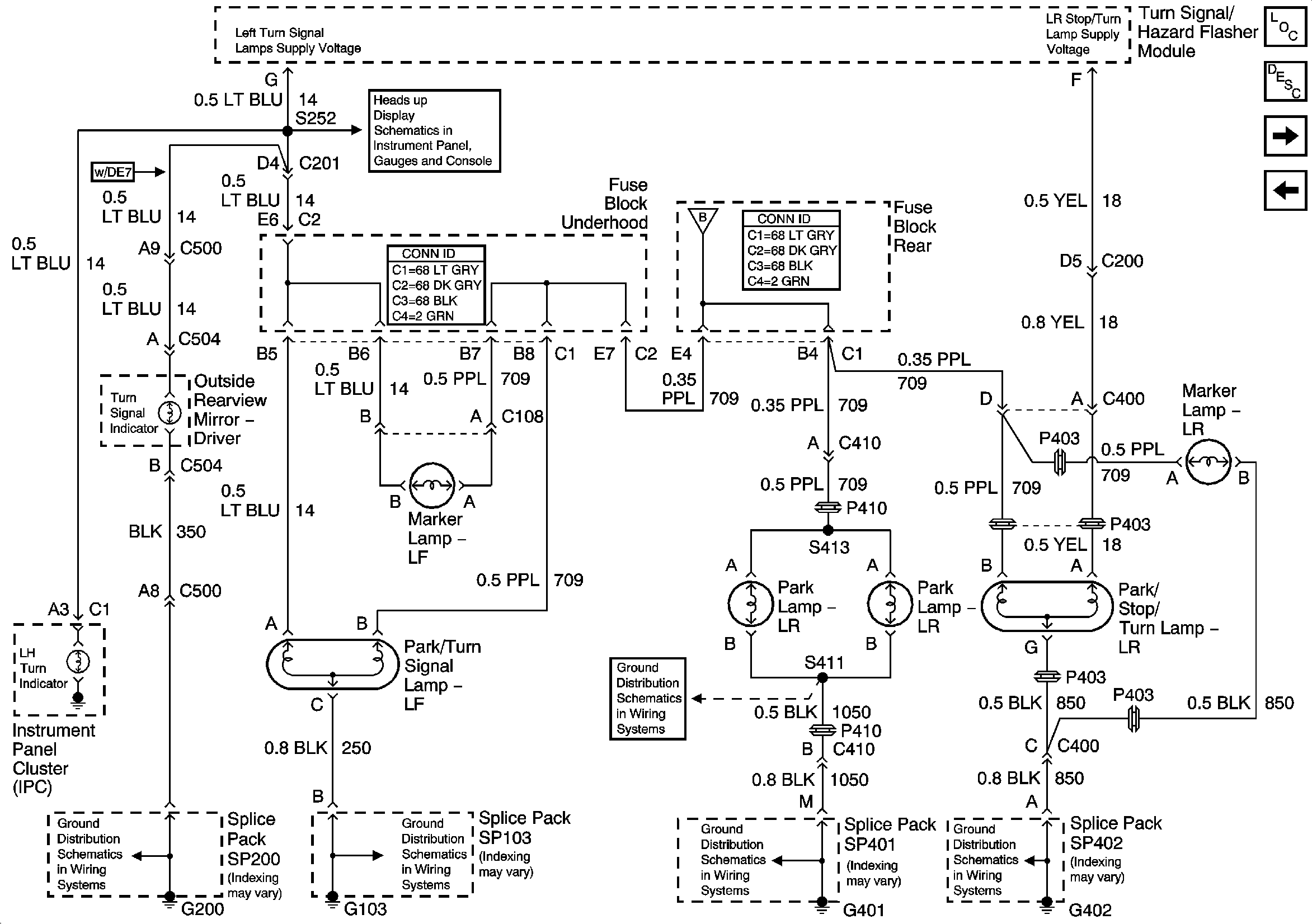
🢒 Drivers Side Exterior Lamps
Drivers Side Exterior Lamps
Driver Side Exterior Lamps
Master Electrical Component List
Exterior Lighting Systems Description and Operation
Passengers Side Exterior Lamps
License, Underhood and Cornering Lamps
Head Up Display
Park Lamp Relay
G401 - 1 of 2
G200 - 2 of 2
G103
G401 - 1 of 2
G402