GM Service Manual Online
For 1990-2009 cars only
Makes
🢒
Buick
🢒
2006
🢒
Lucerne
🢒
Vehicle Control Systems
🢒
Vehicle DTC Information
🢒 Interior Lights Dimming Schematics
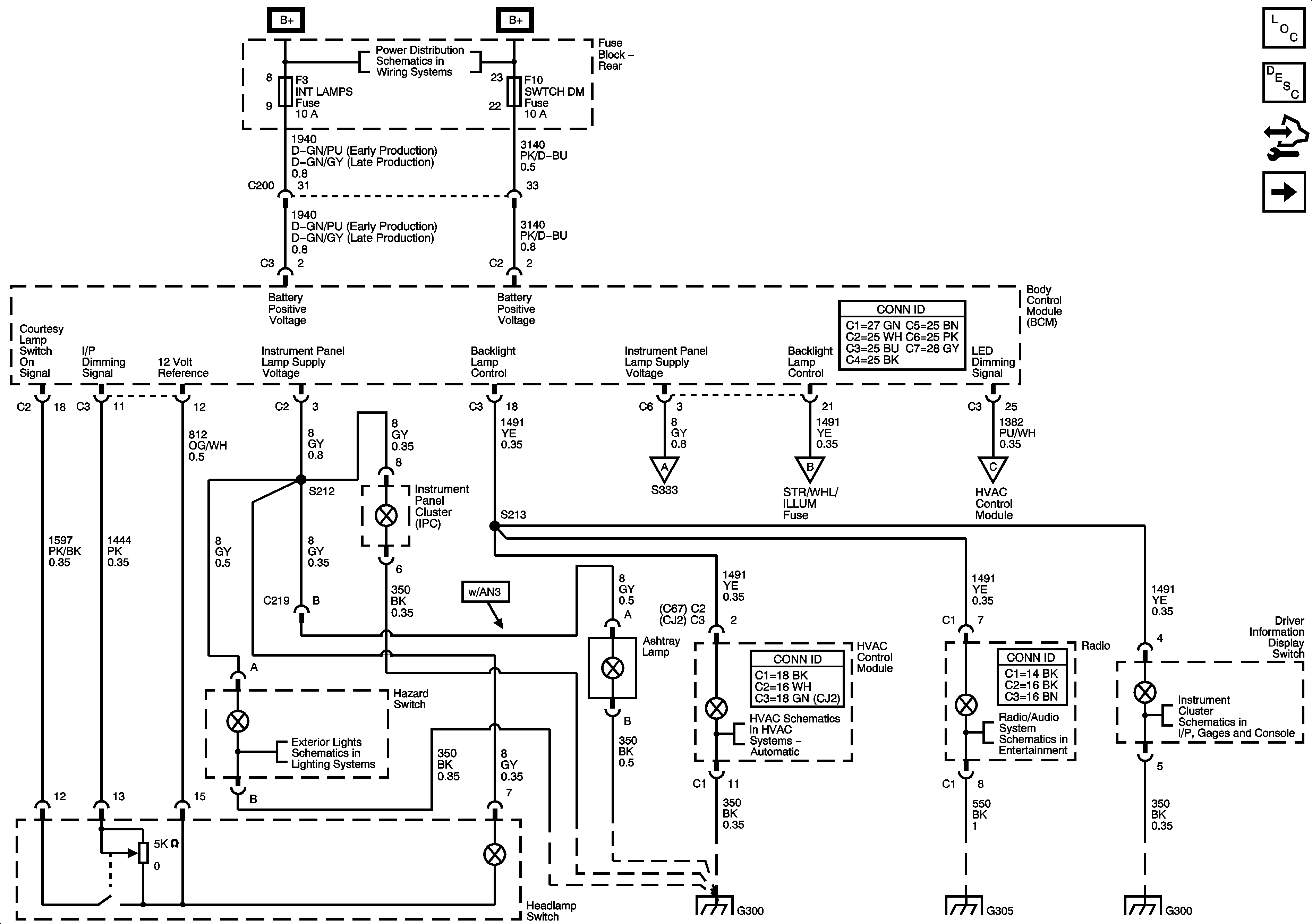
Figure
1:
Hazard, Headlamp, Driver Information Display Switches, Ashtray, HVAC Control Module, Radio
Master Electrical Component List
Interior Lighting Systems Description and Operation
Control Module References
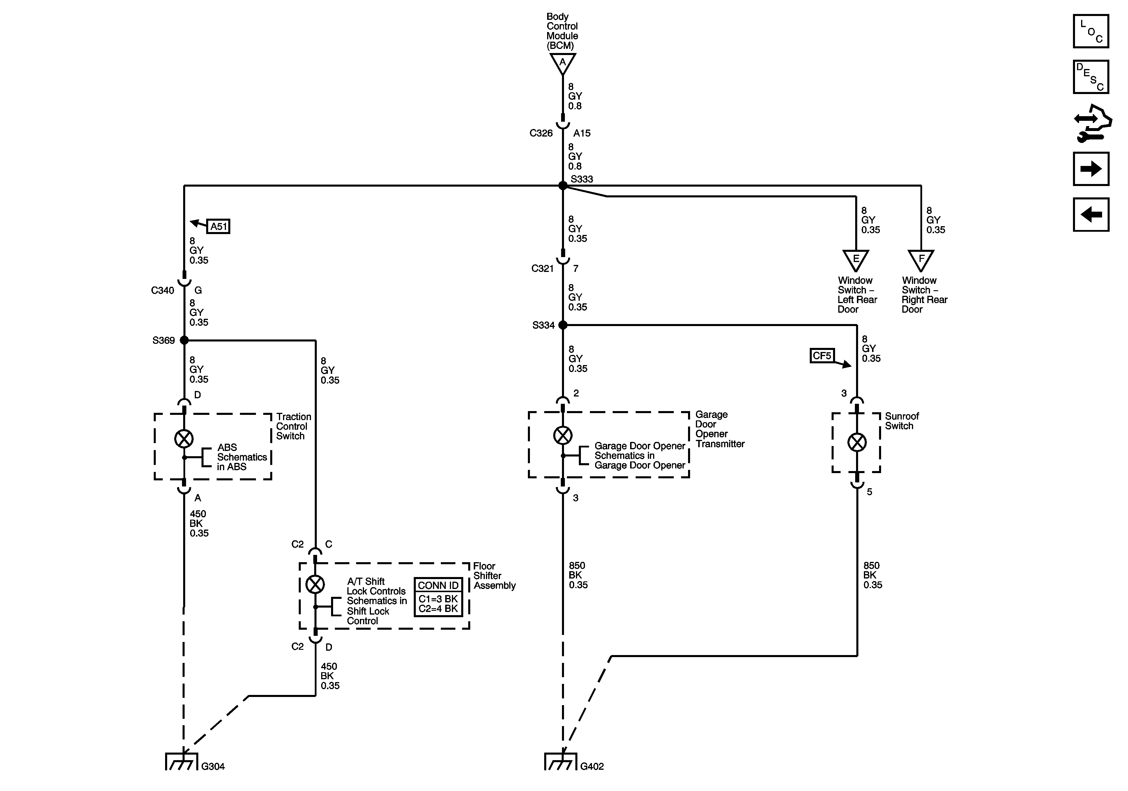
Traction Control, Sunroof Switches, Reverse Lockout Solenoid, Garage Door Opener
Rear Fuse Block B+
Traction Control, Sunroof Switches, Reverse Lockout Solenoid, Garage Door Opener
HVAC Control Module, Steering Wheel Switches
HVAC Control Module, Steering Wheel Switches
Front Turn Signal/Hazard Lamps
Power, Ground, Blower Motor Control
Radio Power and Ground
Inflatable Restraint Indicator and Driver Information Display
G300
G305
G300
Figure
2:
Traction Control, Sunroof Switches, Reverse Lockout Solenoid, Garage Door Opener
Master Electrical Component List
Interior Lighting Systems Description and Operation
Control Module References
Window Switches
Hazard, Headlamp, Driver Information Display Switches, Ashtray, HVAC Control Module, Radio
Hazard, Headlamp, Driver Information Display Switches, Ashtray, HVAC Control Module, Radio
Window Switches
Window Switches
Brake Pedal Position, Traction Control Switch, Data Link Communications
Garage Door Opener Schematics
Shift Lock Control Schematics
G304
G402
Figure
3:
Window Switches
Master Electrical Component List
Interior Lighting Systems Description and Operation
Control Module References
HVAC Control Module, Steering Wheel Switches
Traction Control, Sunroof Switches, Reverse Lockout Solenoid, Garage Door Opener
Traction Control, Sunroof Switches, Reverse Lockout Solenoid, Garage Door Opener
Traction Control, Sunroof Switches, Reverse Lockout Solenoid, Garage Door Opener
Rear Window Switches and Motors
Rear Window Switches and Motors
G301
G304
Figure
4:
HVAC Control Module, Steering Wheel
Master Electrical Component List
Interior Lighting Systems Description and Operation
Control Module References
Window Switches
Hazard, Headlamp, Driver Information Display Switches, Ashtray, HVAC Control Module, Radio
Hazard, Headlamp, Driver Information Display Switches, Ashtray, HVAC Control Module, Radio
Power, Ground, Blower Motor Control
G300