GM Service Manual Online
For 1990-2009 cars only
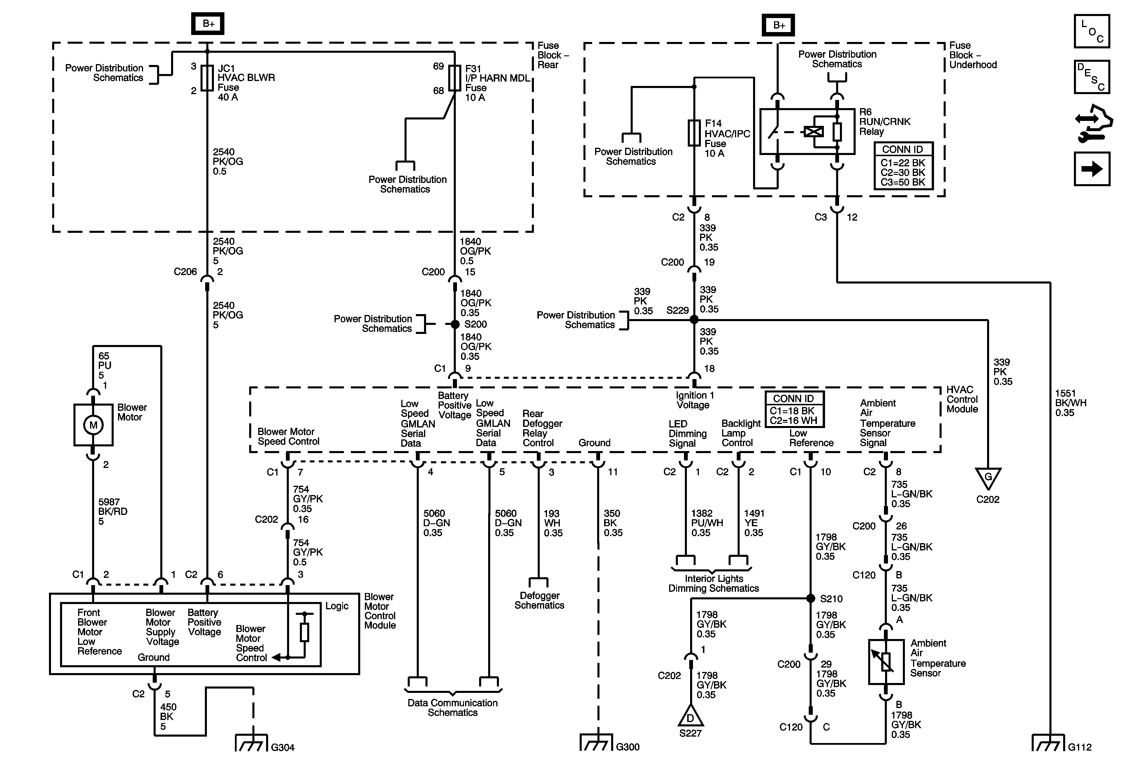
Figure 1:

Power, Ground, Blower Motor Controls


Object Number: 1789816  Size: FS
Master Electrical Component List
Air Temperature Description and Operation
Control Module References
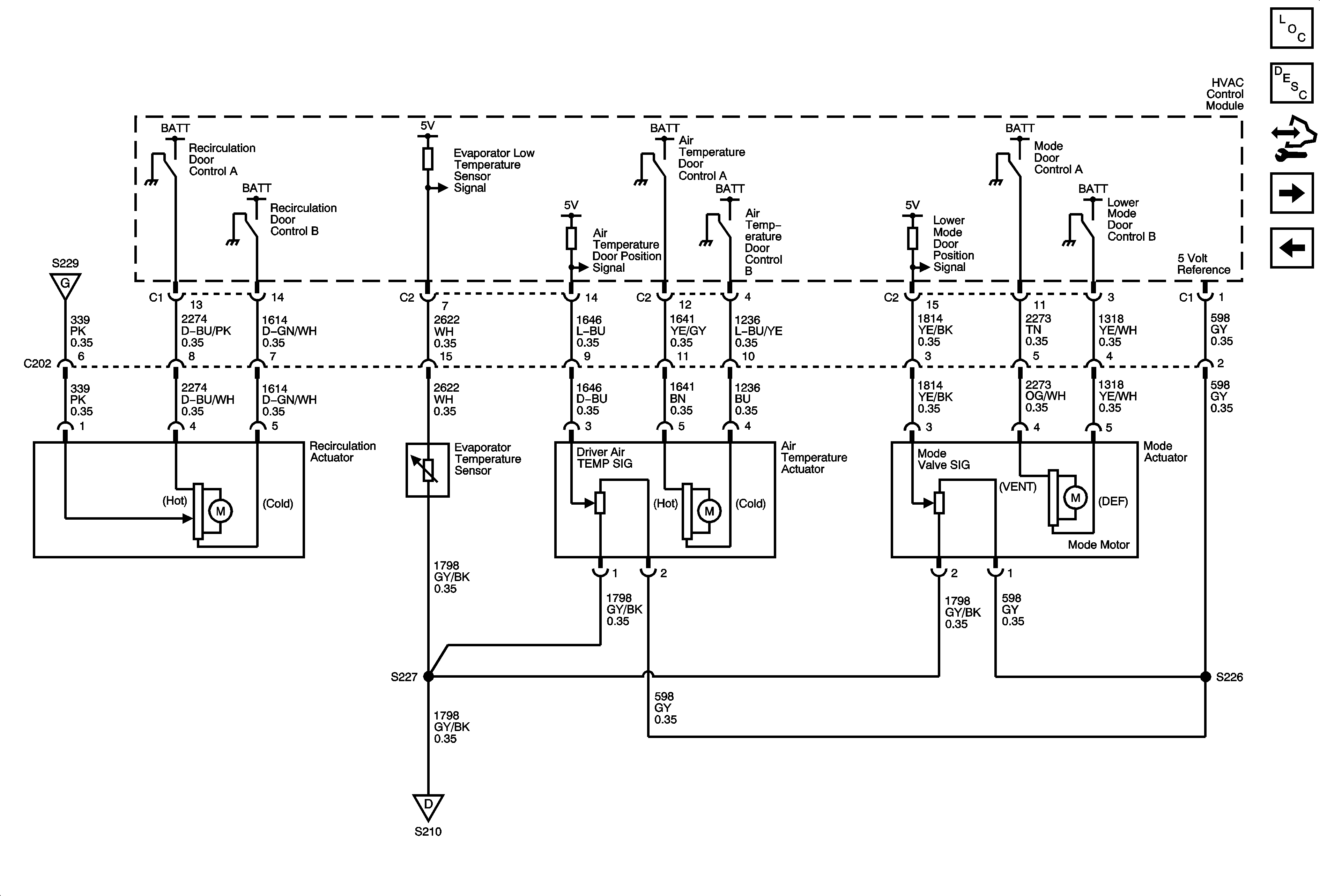
Mode and Air Temperature Controls
Rear Fuse Block B+
PRK LAMP, DRL Relays, IP HARN MDL, LT PRK LAMP, RT PRK LAMP, DRL Fuses
Underhood Fuse Block B+
RUN/CRANK Relay, TRANS IGN 3, AIRBAG IGN 3, HVAC/IPC, ECM IGN 3 Fuses
PRK LAMP, DRL Relays, IP HARN MDL, LT PRK LAMP, RT PRK LAMP, DRL Fuses
RUN/CRANK Relay, TRANS IGN 3, AIRBAG IGN 3, HVAC/IPC, ECM IGN 3 Fuses
G304
Power, Ground, and Low Speed GMLAN
Defogger Schematics
G300
Hazard, Headlamp, Driver Information Display Switches, Ashtray, HVAC Control Module, Radio
Mode and Air Temperature Controls
Mode and Air Temperature Controls
G100, G112 (LD8)
Figure 2:

Mode and Air Temperature Controls


Object Number: 1789830  Size: FS
Master Electrical Component List
Air Temperature Description and Operation
Control Module References
Compressor Controls
Power, Ground, Blower Motor Controls
Power, Ground, Blower Motor Controls
Power, Ground, Blower Motor Controls
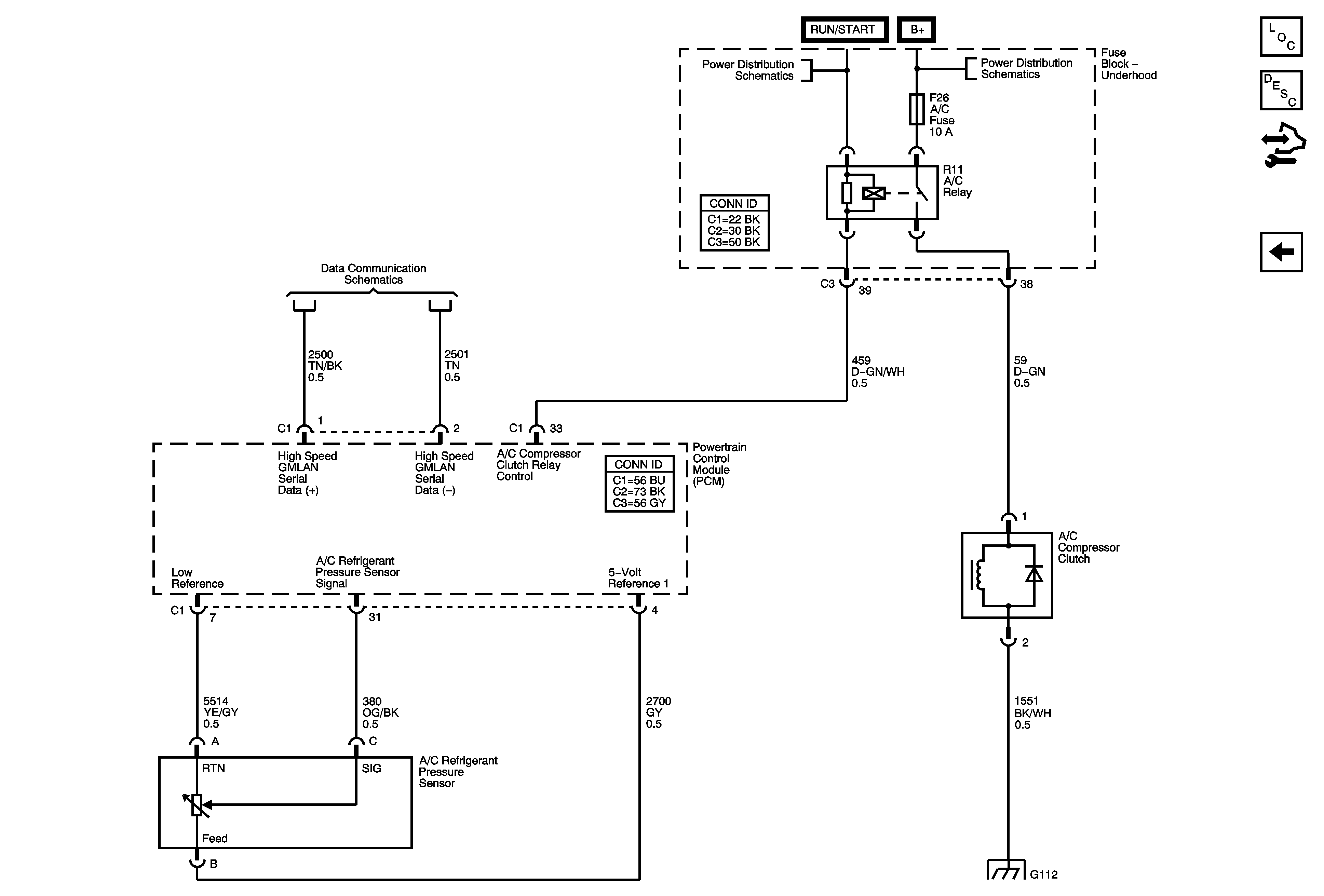
Figure 3:

Compressor Controls


Object Number: 1789854  Size: FS
Master Electrical Component List
Air Temperature Description and Operation
Control Module References
Mode and Air Temperature Controls
High Speed Serial Data
Underhood Fuse Block B+
Underhood Fuse Block B+
G112 (L26)