GM Service Manual Online
For 1990-2009 cars only
Makes
🢒
Buick
🢒
2007
🢒
Lucerne
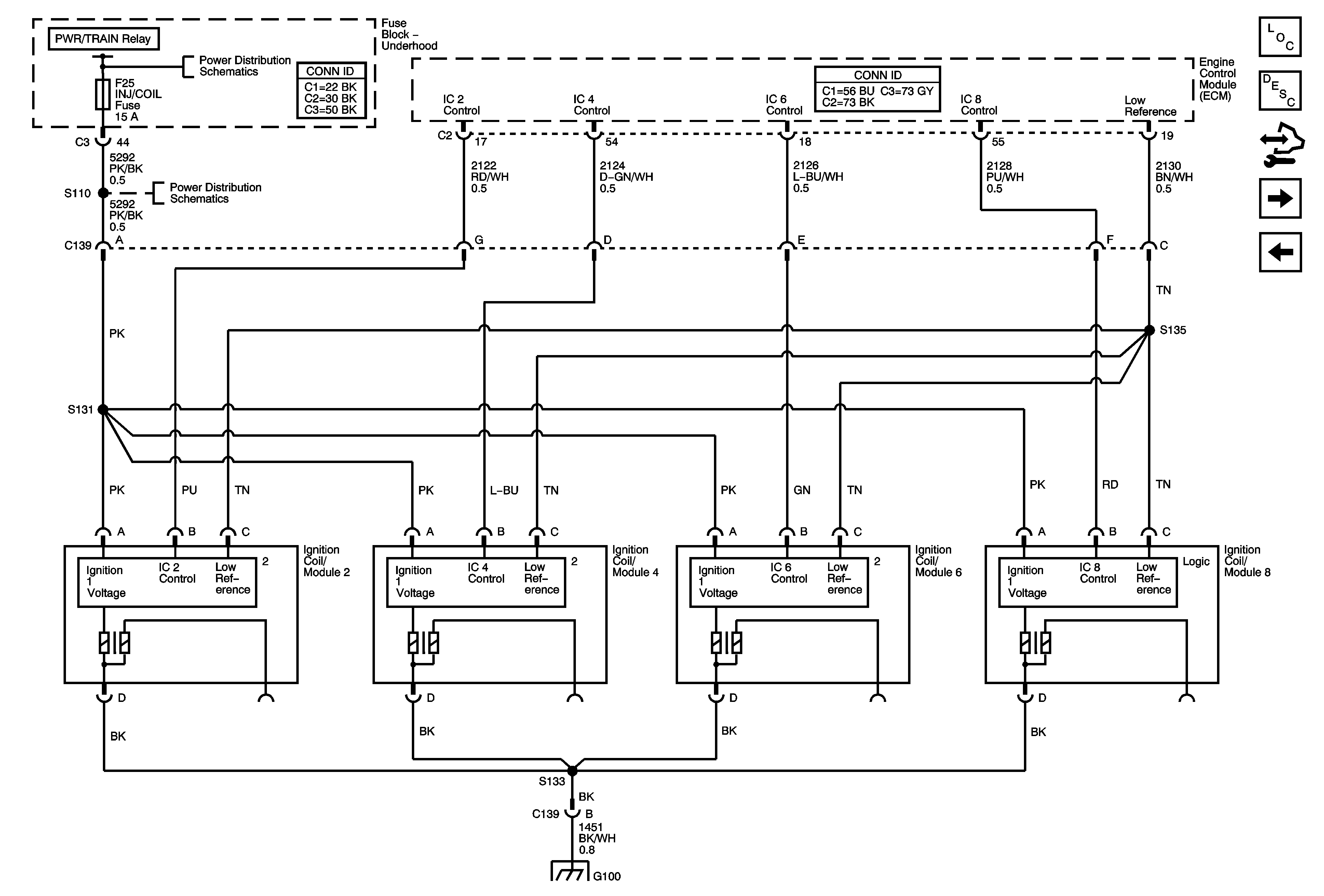
🢒 Ignition Controls, 2 of 2
Ignition Controls, 2 of 2
Ignition Controls - 2 of 2
Master Electrical Component List
Electronic Ignition (EI) System Description
Control Module References
Fuel Controls
Ignition Controls, 1 of 2
Underhood Fuse Block B+
AIR PUMP, AIR/SOL, A/C, COOL/FAN 2, COOL/FAN, COOL/FAN 1 Relays, INJ/COIL, OXY PST Fuses
G100, G112 (LD8)