GM Service Manual Online
For 1990-2009 cars only
Makes
🢒
Buick
🢒
2007
🢒
Lucerne
🢒 Fuel Controls
Fuel Controls
Fuel Controls
Master Electrical Component List
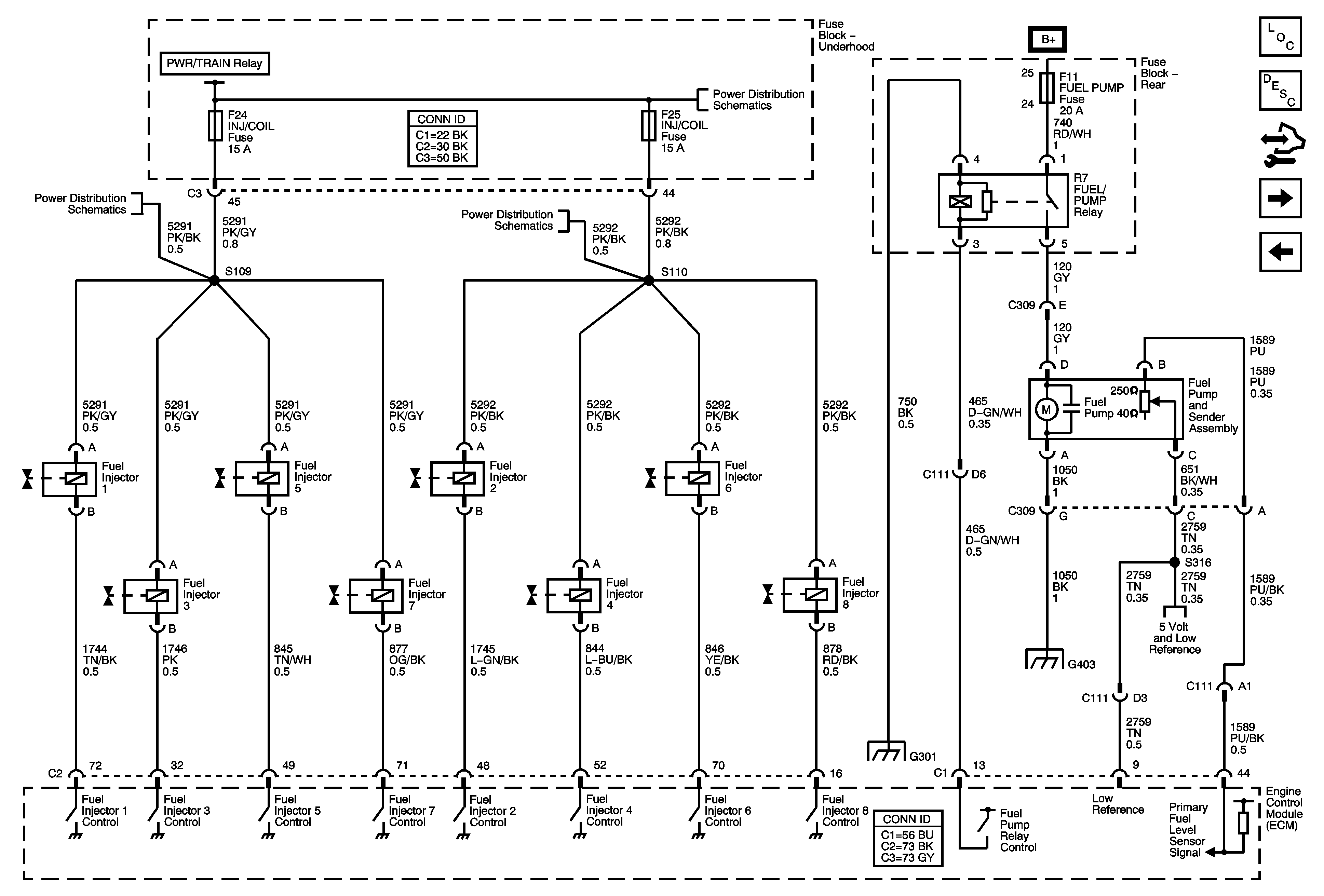
Fuel System Description
Control Module References
CKP, CMP, Knock Sensors
Ignition Controls, 2 of 2
PWR/TRAIN, AIR PUMP, AIR/SOL Relays, ECM/CRNK, INJ/COIL, PWR TRN, AIR PUMP, AIR/SOL Fuses
AIR PUMP, AIR/SOL, A/C, COOL/FAN 2, COOL/FAN, COOL/FAN 1 Relays, INJ/COIL, OXY PST Fuses
Underhood Fuse Block B+
G301
G403
Engine Data Sensors - 5V Reference Bussing