GM Service Manual Online
For 1990-2009 cars only
Makes
🢒
Buick
🢒
2000
🢒
Park Avenue
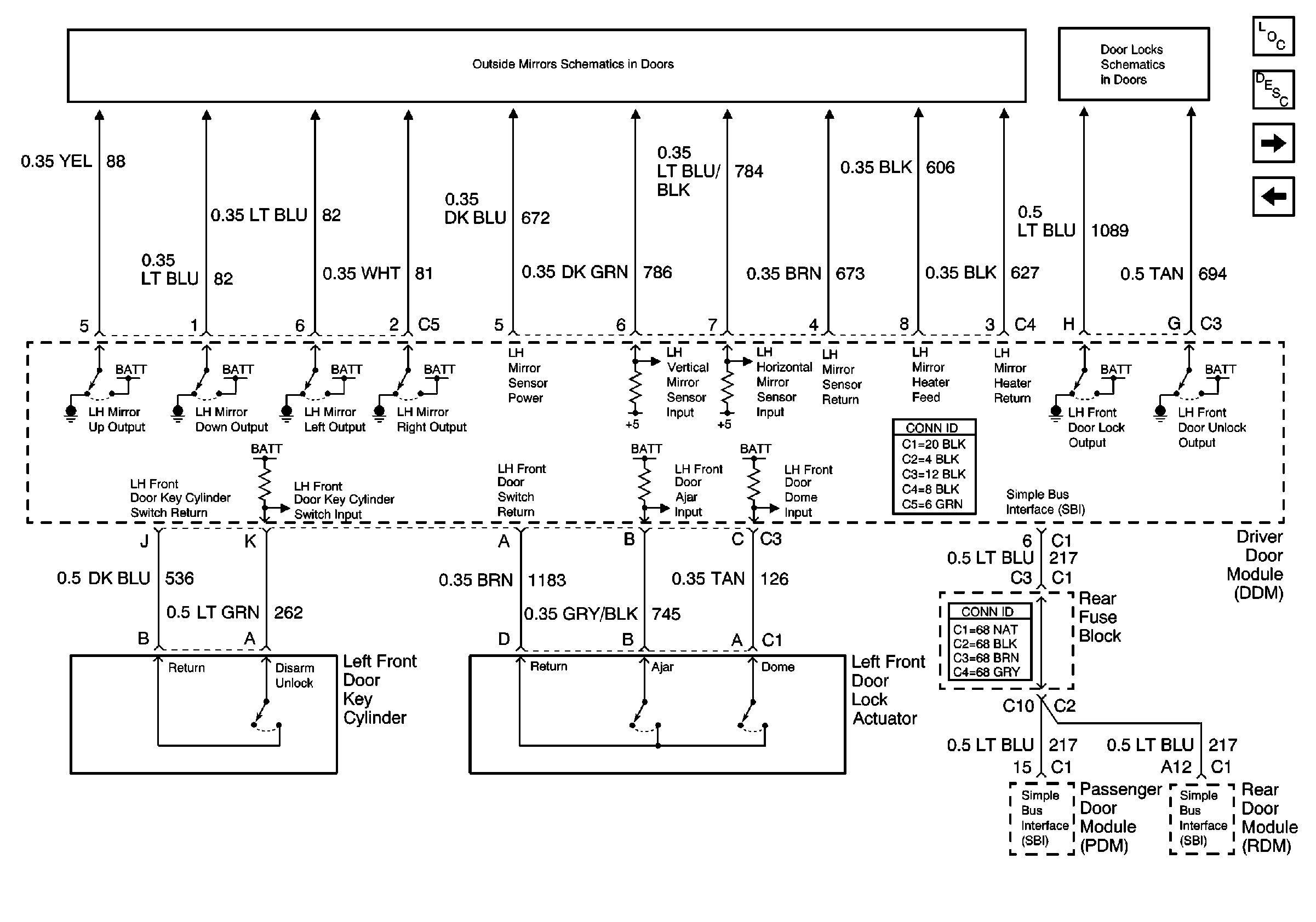
🢒 Left Front Door Jamb Switch
Left Front Door Jamb Switch
Left Front Door Jamb Switch
Power Door Systems Components
Power Door Locks Operation
Passenger Door Module
Driver Door Module
Handling ESD Sensitive Parts Notice
Handling ESD Sensitive Parts Notice
Handling ESD Sensitive Parts Notice
Left Outside Power Mirror
Power Door Systems Components
Power and Grounding Connector End Views