GM Service Manual Online
For 1990-2009 cars only
Makes
🢒
Buick
🢒
2000
🢒
Regal
🢒 Headlamp Switch, Instrument Cluster and Headlamp Dimmer Switch
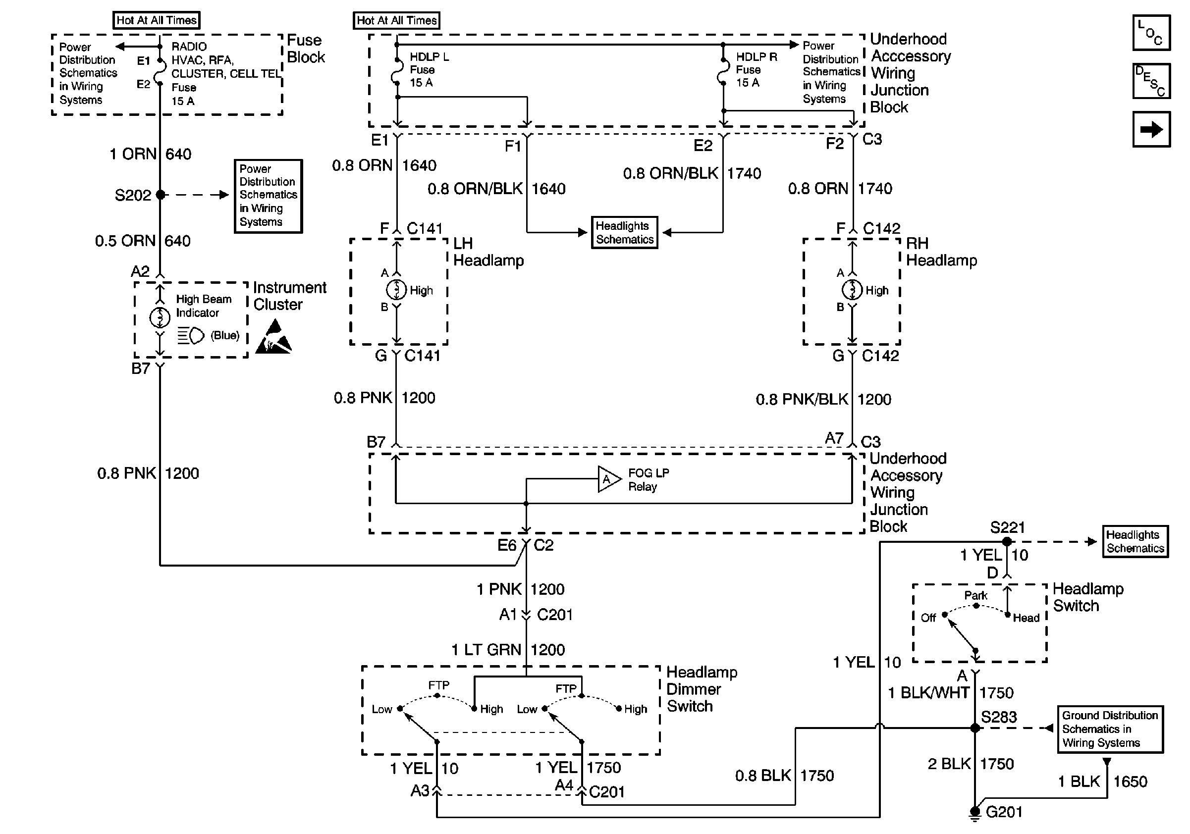
Headlamp Switch, Instrument Cluster and Headlamp Dimmer Switch
Headlamp Switch, Instrument Cluster and Headlamp Dimmer Switch
Battery, UAWJB, Fuse Block, Headlamp Switch, Parklamp and Headlamp Relay
Radio, HVAC, RFA, Cluster, Cel Tel, BCM Power, INADV Power Bus, Radio PRM Sound, and Cigar Lighter/Data Link Fuses
Handling ESD Sensitive Parts Notice
Headlamps, Instrument Cluster and Headlamp Dimmer Switch
Fog Lamps, Fog Lamp Switch, Fog Lamp Relay and BCM
UAWJB, Fuse Block, Headlamps, EBCM, and Generator
Headlamps, Instrument Cluster and Headlamp Dimmer Switch
G201
Lighting Systems Components
Fog Lights Circuit Description
Fog Lamps, Fog Lamp Switch, Fog Lamp Relay and BCM