GM Service Manual Online
For 1990-2009 cars only
Makes
🢒
Buick
🢒
2000
🢒
Regal
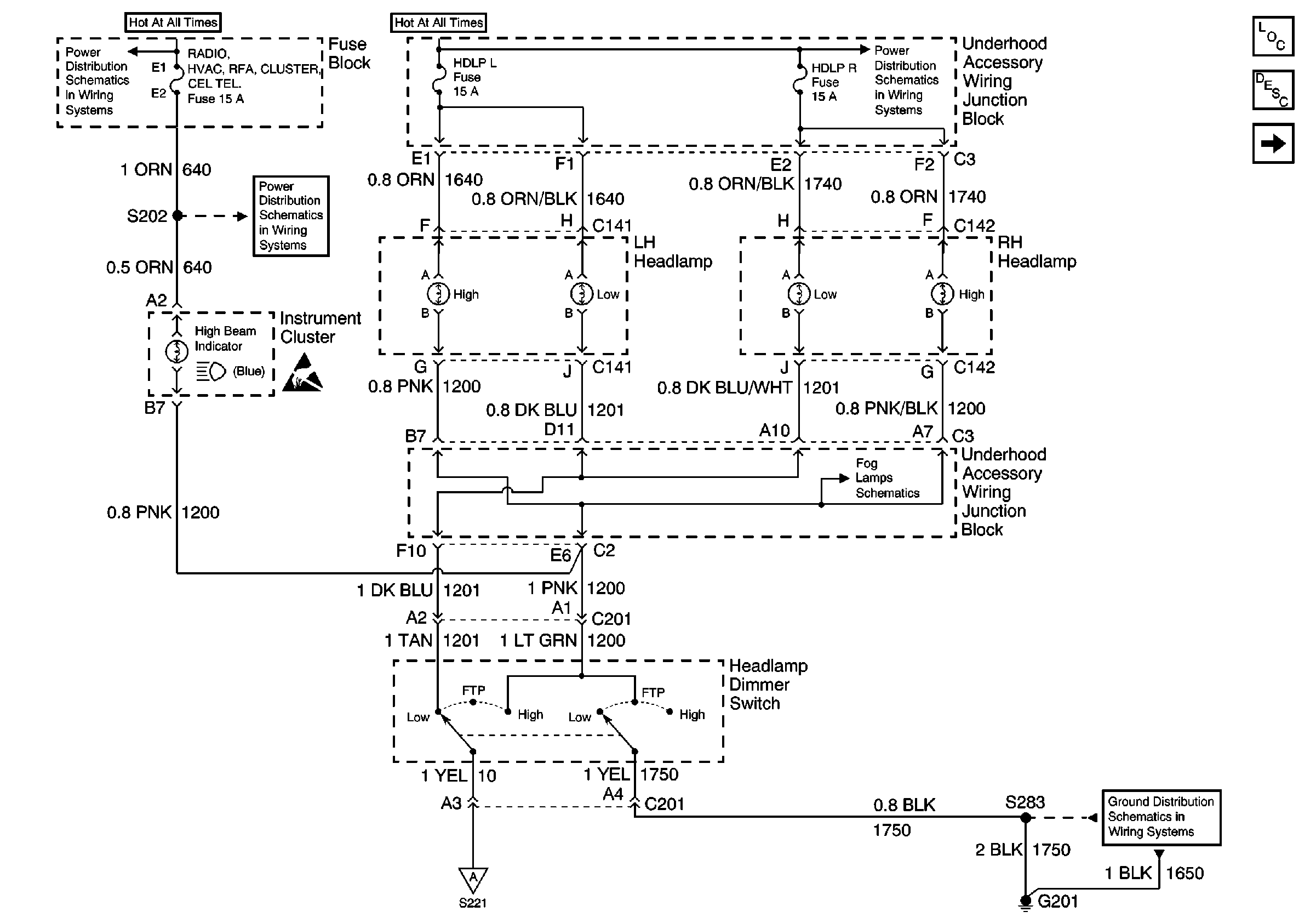
🢒 Headlamps, Instrument Cluster and Headlamp Dimmer Switch
Headlamps, Instrument Cluster and Headlamp Dimmer Switch
Headlamps, Instrument Cluster and Headlamp Dimmer Switch
Battery, UAWJB, Fuse Block, Headlamp Switch, Parklamp and Headlamp Relay
Radio, HVAC, RFA, Cluster, Cel Tel, BCM Power, INADV Power Bus, Radio PRM Sound, and Cigar Lighter/Data Link Fuses
Handling ESD Sensitive Parts Notice
Headlamp Relay, BCM and Headlamp Switch
UAWJB, Fuse Block, Headlamps, EBCM, and Generator
Headlamp Switch, Instrument Cluster and Headlamp Dimmer Switch
G201
Lighting Systems Components
Headlights/Daytime Running Lights (DRL) Circuit Description
Headlamp Relay, BCM and Headlamp Switch