GM Service Manual Online
For 1990-2009 cars only
Makes
🢒
Buick
🢒
2000
🢒
Regal
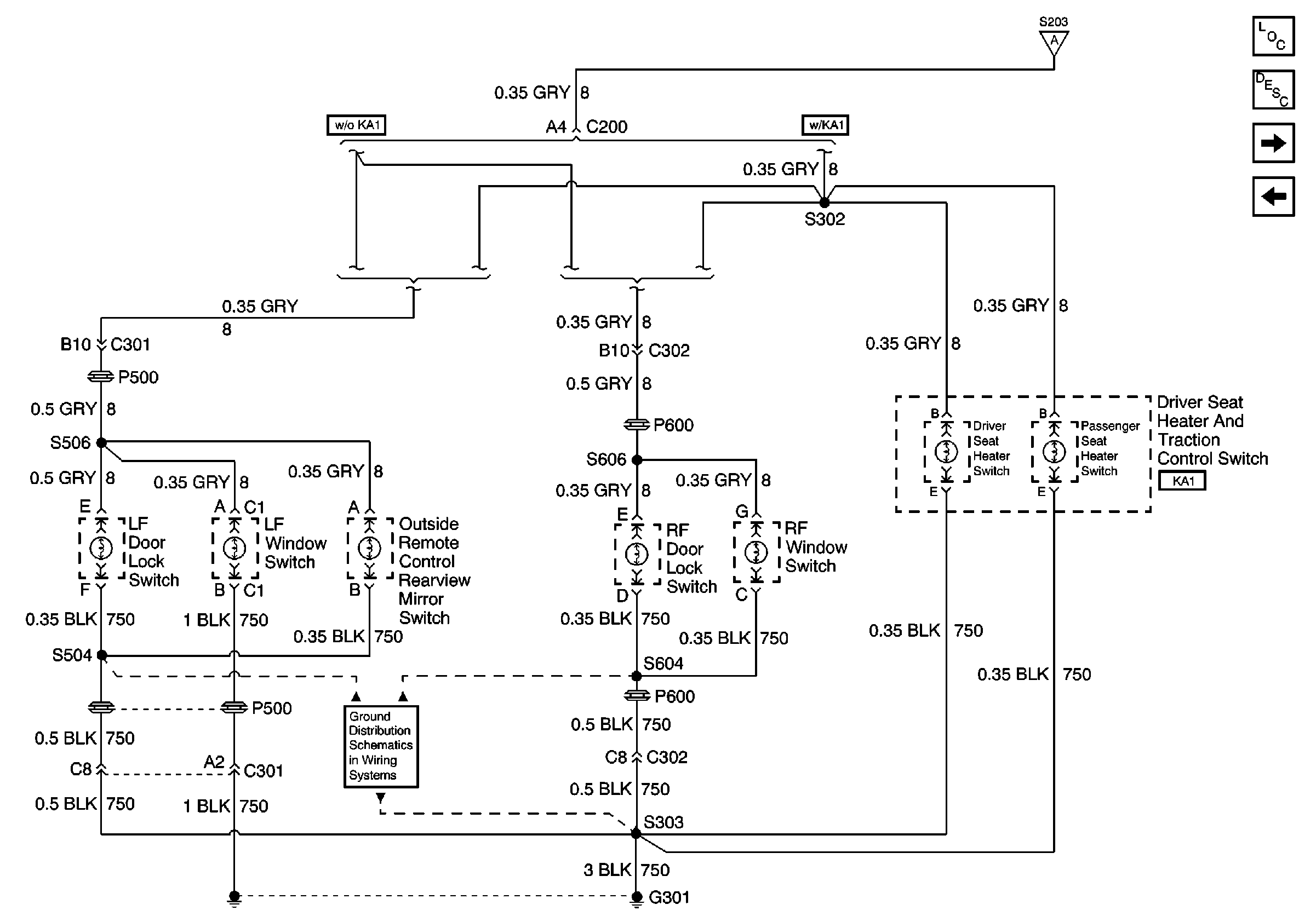
🢒 Door Lock, Window, and Seat Heater Switches
Door Lock, Window, and Seat Heater Switches
Door Lock, Window, and Seat Heater Switches
G301
Headlamp Switch, Radio Control Switches, HVAC, Ashtray, Instrument Cluster, and Electronic Traction Control Switch Lamps
Lighting Systems Components
Interior Lights Dimming Circuit Description
Heater-A/C Control, Instrument Cluster and Radio
Headlamp Switch, Radio Control Switches, HVAC, Ashtray, Instrument Cluster, and Electronic Traction Control Switch Lamps