GM Service Manual Online
For 1990-2009 cars only

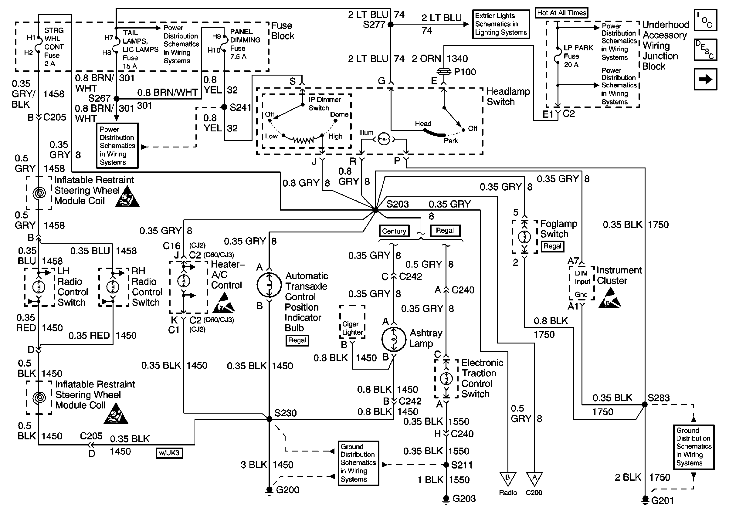
Headlamp Switch, Radio Control Switches, HVAC, Ashtray, Instrument Cluster, and Electronic Traction Control Switch Lamps

Headlamp Switch, Radio Control Switches, HVAC, Ashtray, Instrument Cluster, and Electronic Traction Control Switch Lamps


Object Number: 594958  Size: FS
Front Park Lamps, Tail Lamps, License Lamps, and Panel Dimming Fuses
Front Park Lamps, Tail Lamps, License Lamps, and Panel Dimming Fuses
SIR Caution
Handling ESD Sensitive Parts Notice
SIR Caution
G200
BCM, Headlamp Switch, Park Lamp Relay, Headlamp Relay and Ambient Light SenSor
Battery, UAWJB, Fuse Block, Headlamp Switch, Parklamp and Headlamp Relay
Battery, UAWJB, Fuse Block, Headlamp Switch, Parklamp and Headlamp Relay
Handling ESD Sensitive Parts Notice
Heater-A/C Control, Instrument Cluster and Radio
Door Lock, Window, and Seat Heater Switches
G201
Lighting Systems Components
Interior Lights Dimming Circuit Description
Door Lock, Window, and Seat Heater Switches