GM Service Manual Online
For 1990-2009 cars only
Makes
🢒
Buick
🢒
2000
🢒
Regal
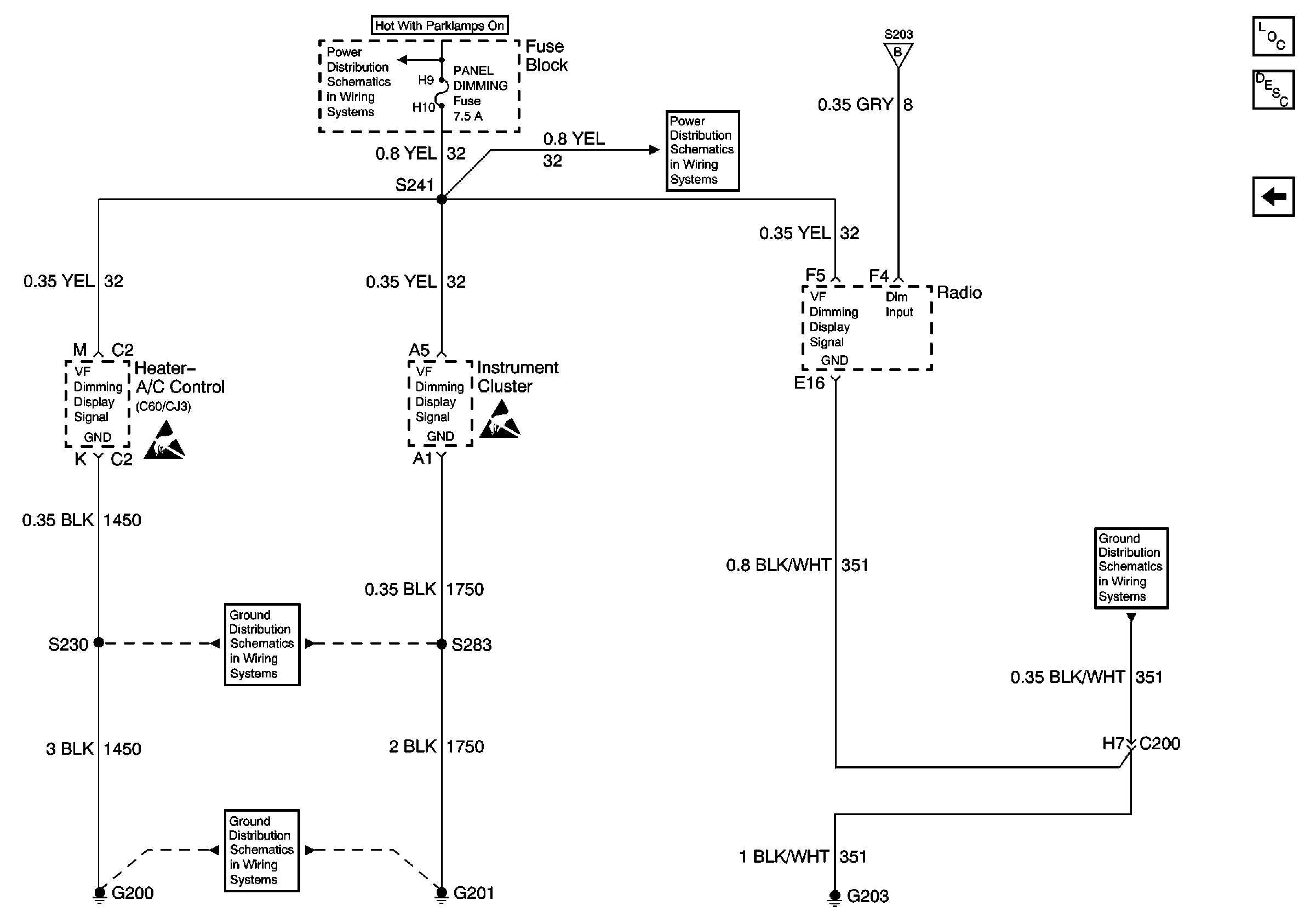
🢒 Heater-A/C Control, Instrument Cluster and Radio
Heater-A/C Control, Instrument Cluster and Radio
Heater-A/C Control, Instrument Cluster and Radio
Front Park Lamps, Tail Lamps, License Lamps, and Panel Dimming Fuses
Handling ESD Sensitive Parts Notice
G200
G200
Handling ESD Sensitive Parts Notice
Front Park Lamps, Tail Lamps, License Lamps, and Panel Dimming Fuses
Headlamp Switch, Radio Control Switches, HVAC, Ashtray, Instrument Cluster, and Electronic Traction Control Switch Lamps
G203
Lighting Systems Components
Interior Lights Dimming Circuit Description
Door Lock, Window, and Seat Heater Switches