GM Service Manual Online
For 1990-2009 cars only
Makes
🢒
Buick
🢒
2000
🢒
Regal
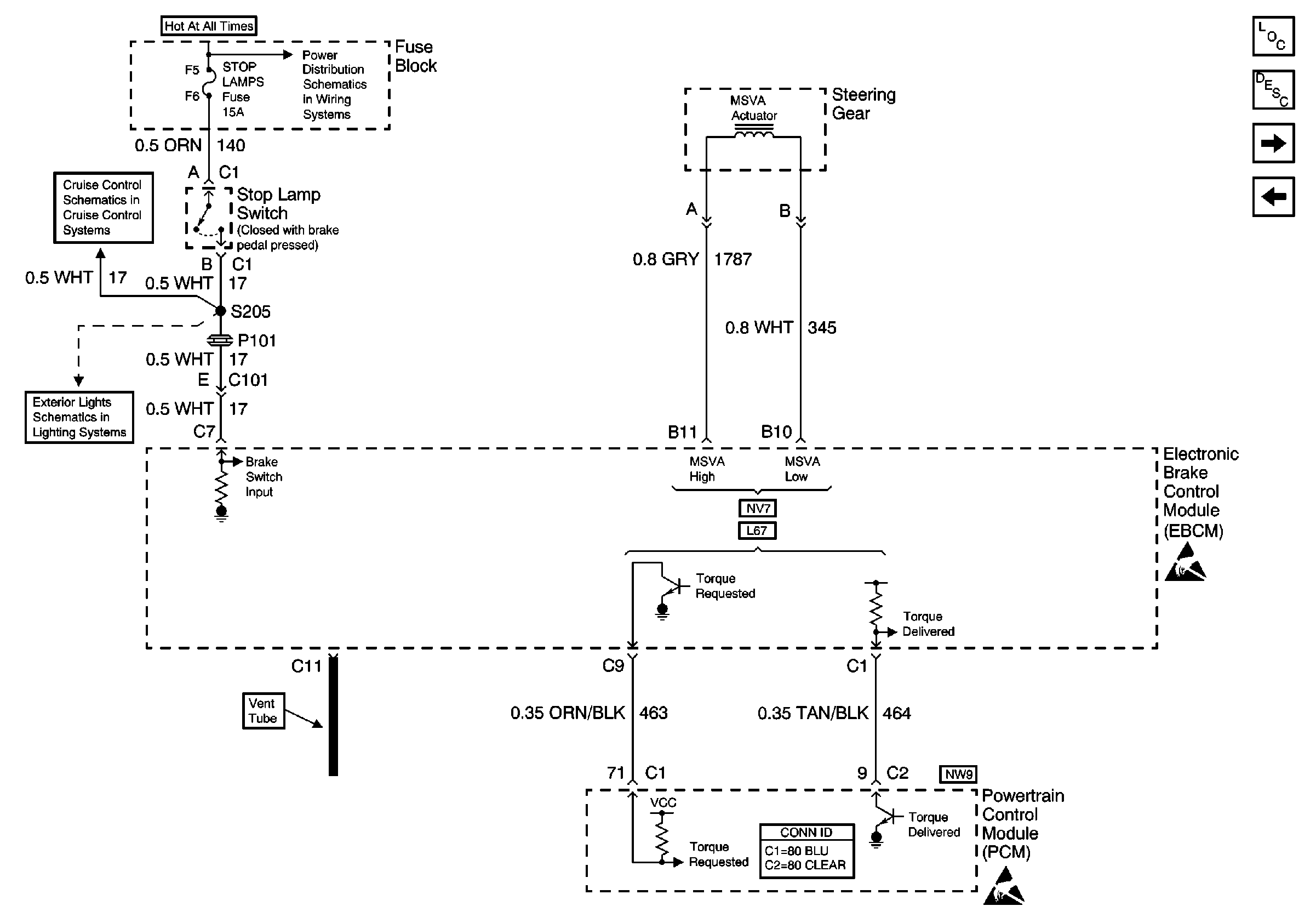
🢒 EBCM MSVA Input, Torque Requested and Torque Delivered Inputs
EBCM MSVA Input, Torque Requested and Torque Delivered Inputs
EBCM MSVA Input, Torque Requested and Torque Delivered Inputs
High Blower, Hazard, Stoplamps, Door Locks, Power Mirrors, and Heated Seats Fuses
Cruise Control Schematic
Hazard Lamp/ Turn Signal Lamp Flasher, Turn Signal Switch, CHMSL And Stop Lamp Switch
Handling ESD Sensitive Parts Notice
Handling ESD Sensitive Parts Notice
Antilock Brake System Component Views
ABS Description
Wheel Speed Sensors
IPC Class 2 Serial Data Inputs, EBCM Traction Control Request and Electronic Traction Control Switch