GM Service Manual Online
For 1990-2009 cars only
Makes
🢒
Buick
🢒
2000
🢒
Regal
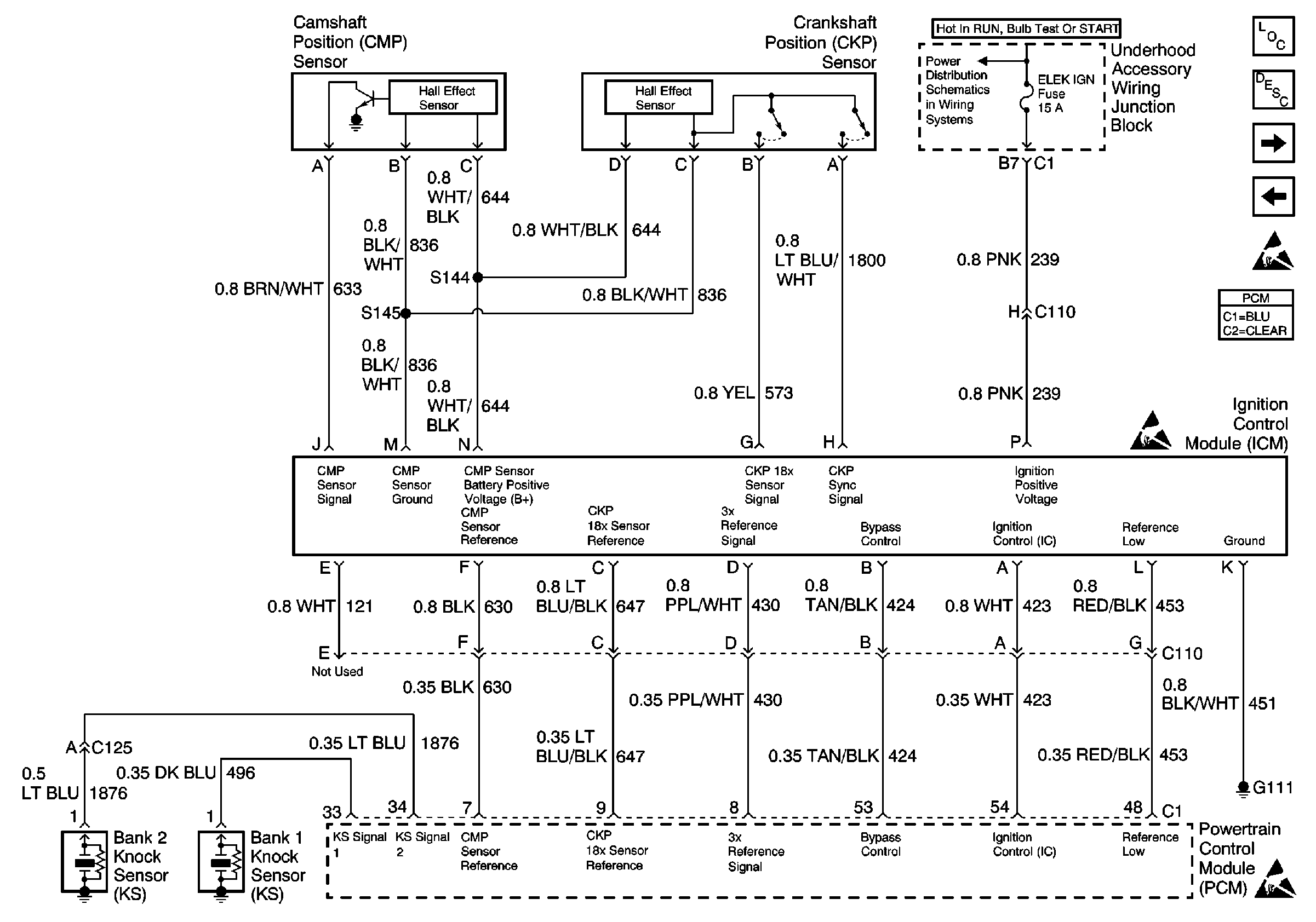
🢒 Crankshaft and Camshaft Position Sensors
Crankshaft and Camshaft Position Sensors
Crankshaft and Camshaft Position Sensors
UAWJB, Automatic Transaxle, ICM, HO2S1 and HO2S2
Handling ESD Sensitive Parts Notice
Handling ESD Sensitive Parts Notice
Instrument Panel, Gages, and Console Component Views
Instrument Cluster Circuit Description
Fuel Tank Input/Output (L36 Only)
Power and Grounds
OBD II Symbol Description Notice