GM Service Manual Online
For 1990-2009 cars only
Makes
🢒
Buick
🢒
2000
🢒
Regal
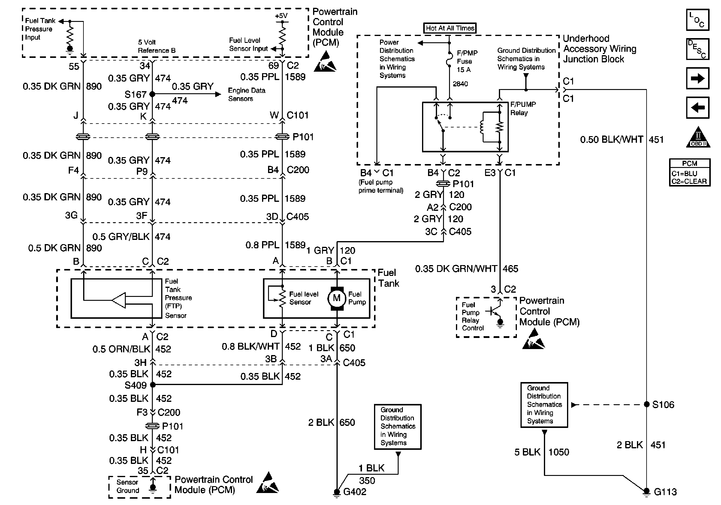
🢒 Fuel Tank Input/Output (L36 Only)
Fuel Tank Input/Output (L36 Only)
Fuel Tank Input/Output (L36 Only)
G100, G113 and G113
Handling ESD Sensitive Parts Notice
UAWJB
G402 cont.
G100, G113 and G113
G100, G113 and G113
G100, G113 and G113
Instrument Panel, Gages, and Console Component Views
Instrument Cluster Circuit Description
Fuel Tank Input/Output (L67 Only)
Crankshaft and Camshaft Position Sensors
OBD II Symbol Description Notice