GM Service Manual Online
For 1990-2009 cars only
Makes
🢒
Buick
🢒
2000
🢒
Regal
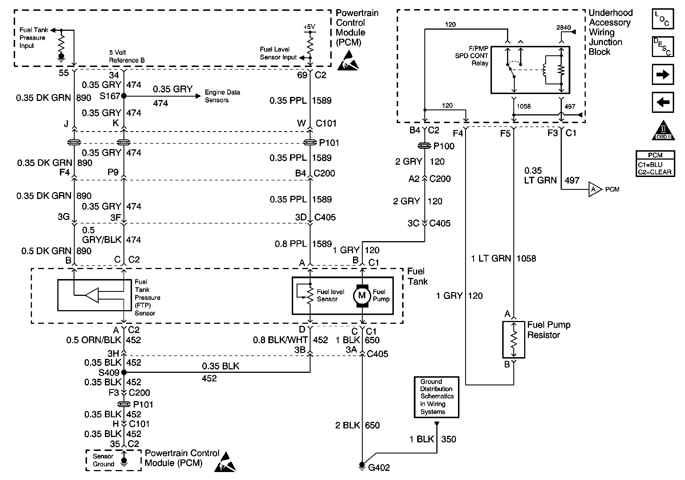
🢒 Fuel Tank Input/Output (L67 Only)
Fuel Tank Input/Output (L67 Only)
Fuel Tank Input/Output (L67 Only)
Handling ESD Sensitive Parts Notice
Handling ESD Sensitive Parts Notice
G402 cont.
EBCM Input and Supercharger Boost Control Solenoid (L67 Only)
Instrument Panel, Gages, and Console Component Views
Instrument Cluster Circuit Description
EBCM Input and Supercharger Boost Control Solenoid (L67 Only)
Fuel Tank Input/Output (L36 Only)
OBD II Symbol Description Notice